Тъй като големите домакински уреди се износват, собствениците често ги изхвърлят и ги заменят с нови. Направи си сам майсторите не са склонни да бракуват стари уреди, без да свалят работещите им електродвигатели. Свързването на двигател на пералня към различни домашно приготвени устройства може да спести значителни пари.

С помощта на двигател за пералня можете да изградите острилка за заточване на инструменти, ножове, различни машини, циркулярни триони, фуражни машини, бетонобъркачки и много други различни устройства и домашно приготвени уреди.
Преди да свържете мотор, трябва да знаете какъв тип е той и какво може да прави. Това ще определи как моторът е свързан към електрическата мрежа на домакинството.
След като прочетете тази статия, ще научите за различните видове електродвигатели за перални машини, как да свържете двигател на пералня към мрежа от 220 волта и дали е асинхронен, колекторен или инверторен тип. И най-важното - ще научите как да го свържете сами.
Съществуващи видове електрически двигатели
Съвременните перални машини обикновено са оборудвани с еднофазни електродвигатели с тахогенератори, които регулират скоростта. Електродвигателите от съветската епоха сега се считат за рядкост; те се отличават с двускоростен режим. Двигателите, инсталирани в съвременните перални машини, могат да бъдат разделени на три вида:
- асинхронен;
- колекционер;
- инвертор.
Асинхронен
При този тип двигател скоростта на ротора се различава от скоростта на магнитното поле на статорната намотка. Това е най-разпространеният тип електрически двигател. Пералните машини използват асинхронни кондензаторни двигатели, захранвани от еднофазна домашна електрическа мрежа.
Статорът има две намотки, едната от които е свързана директно към мрежата, а втората намотка е свързана със стартовия кондензатор, образувайки стартово въртящо се магнитно поле.

Предимството на асинхронните двигатели е техният опростен дизайн и ниска поддръжка. При правилна поддръжка тези износоустойчиви електродвигатели могат да издържат десетилетия.
ДО Недостатъци на асинхронните двигатели Трябва да се отбележи чувствителността към колебанията в честотата на мрежовия ток и невъзможността за промяна на скоростта на въртене на вала по време на работа, но това не пречи да се използват в различни домашно приготвени устройства.
Колекционер
Много перални машини днес са оборудвани с колекторни двигатели. Тяхната отличителна черта е наличието на две четки. Четките са прикрепени към колектора на ротора, захранвайки го с електрическа енергия, което кара ротора да се върти в магнитното поле на статорната намотка. Комутаторните захранващи агрегати работят с помощта на ремъчна предавка.
Предимствата включват наличието на ролка на вала на двигателя, което улеснява „Направи си сам“ майсторите да създават устройства, задвижвани с ремък, и възможността за работа с постоянен ток. Тези двигатели обикновено са с малки размери и се управляват от проста схема.

Недостатъкът може да се счита Бързото износване на ремъка и склонността на четките да се повреждат в най-неочаквания момент. Все пак това могат да се считат за незначителни проблеми в сравнение с предимствата.
Инвертор
Първият инверторен мотор е инсталиран в пералня от LG през 2005 г. Оттогава инверторните мотори са широко използвани в домакинските перални машини от водещи производители. За разлика от своите аналози, инверторният мотор е прикрепен директно към барабана на машината и не изисква ремъчна предавка или лагери.

Предимствата на инвертора с директно задвижване включват неговия опростен дизайн, компактен размер, възможност за задаване на различни режими на работа, нисък шум и висока ефективност поради липсата на триене от ремъчната предавка.
Недостатък е непрактичността на ремонта, ако електрическият двигател се повреди. Цената на ремонта може да надвиши цената на самия двигател. Друг недостатък е невъзможността за използването им в различни самоделни машини и механични устройства поради конструктивните особености на инверторите.
Как да свържете електрическия двигател на пералня към мрежа от 220 волта
Преди да планирате свързване на мотор на пералня, трябва да определите неговия тип. След това определете към кои части на мотора са свързани проводниците. Ако клемният блок е все още на мястото си, това може лесно да се определи чрез тестване на контактите с мултицет.
Вижте как свържете съдомиялната машина към канализацията и водопровода.
Важно е правилно да се проектира схемата за свързване на 220-волтово захранване, за да се използват напълно възможностите на електрическия двигател в новото устройство. Ако двигателят е необходим за задвижване на шпиндела с постоянна скорост, кондензатор не е необходим. В противен случай, сложното свързване към захранването трябва да се запази, за да се гарантира функционирането на регулатора на скоростта. По-долу ще обсъдим методите за свързване на асинхронни, колекторни и инверторни двигатели, извадени от перални машини.
Свързване на асинхронен двигател
Старите перални машини от съветската епоха са имали асинхронни електродвигатели, монтирани в барабана за пране, а колекторни двигатели са захранвали центрофугите, използвани за центрофугиране на прането. Ако сте сигурни, че захранващите блокове са били премахнати от такава машина, става ясно какъв тип е всеки един от тях.
Асинхронният двигател има две намотки, едната от които стартира двигателя, а другата поддържа въртенето на шпиндела на двигателя. Техните клеми могат да бъдат намерени на разпределителната кутия. За да определите коя двойка клеми съответства на коя намотка, използвайте тестер (мултицет). Първо, тествайте всички проводници един по един.
В резултат на това се идентифицират два чифта изводи на двете намотки. По-високото съпротивление на единия от чифтовете показва, че той принадлежи към началната намотка, докато по-ниското съпротивление ще принадлежи към вторичната работна намотка.
За да работи двигателят, простото свързване на работната намотка ще бъде достатъчно. Стартирането на двигателя обаче веднага се превръща в проблем. Шпинделът ще трябва да се завърта ръчно всеки път. Това обаче далеч не е безопасно и е тромаво, особено при големи натоварвания на вала на двигателя.
Следователно ще трябва да се използват пускова намотка и кондензатор. За да се илюстрира как трябва да се свърже асинхронен електродвигател, по-долу е показана универсална схема, където ОВ е възбуждащата (работна) намотка, ПО е пусковата намотка, а SB е контакторът (вместо това може да се използва малък неполярен кондензатор от 2–4 μF).

Можете да използвате стария кондензатор, който е бил свален заедно с двигателя. Свържете го към един от софтуерните терминали. Снимката по-долу показва предварително свързан двигател, за да се тества неговата функционалност.

Когато стартирате двигателя за първи път, опитайте да го включите без пусковата намотка. Ако двигателят започне да върти шпиндела и натоварването е леко, можете да се справите без пусковото устройство. В противен случай софтуерът във веригата ще бъде от съществено значение.
Тъй като двигателят на стара пералня е сам по себе си стар захранващ агрегат, той може да прегрее по време на първоначалното стартиране. Това може да се дължи на износени лагери или прекалено голям кондензатор.
Това е лесно да се провери. Ако работата с откачен кондензатор не води до прегряване на двигателя, тогава кондензаторът трябва да се смени с такъв с по-малък капацитет. Ако причината е износен лагер, възниква въпросът дали той трябва да се смени или ремонтира.
Можете да го направите без кондензатора. Вместо това свържете неблокиращ контактор към един от софтуерните терминали. За тази цел най-често се използва обикновен бутон за звънец.

При стартиране бутонът се натиска и задържа, докато шпинделът започне да се върти. След това бутонът се освобождава, което деактивира софтуера. Ако е необходимо да се промени посоката на въртене на ротора, клемите на стартовата намотка се обръщат. Диаграмата по-долу показва как да се обърне посоката на въртене на асинхронен двигател.

Ако например не се използва стартовата намотка, посоката на въртене на ротора може да се промени чрез натискане с ръка.
Как да свържете четков мотор
Тези двигатели са били инсталирани в перални машини с горно зареждане. Комутаторните двигатели не изискват принудително стартиране, така че нямат пускова намотка.
Можете да определите дали даден електродвигател принадлежи към този тип, като погледнете клемната кутия. Обикновено тя съдържа от 5 до 8 клеми. Повечето от тях се използват за управление на режимите на пране и няма да са необходими по-късно. Колекторните двигатели също имат четки, чиито монтажни отвори са видими на корпуса на двигателя.

Ако разглобите двигателя, ще видите котвата (ротора) с намотка, изработена от стоманени рамки, чиито краища са свързани, за да образуват колекторен пръстен. Комутаторът, в контакт с графитни четки под напрежение, възбужда намотката. Електромагнитното поле на статора генерира електродвижеща сила (ЕМС) в котвата, карайки я да се върти.
За да се разбере структурата на колекторния електродвигател, е необходимо да се разгледа стандартната схема на разположението на всички части на колекторния двигател.

Двигател от този тип е свързан по следния начин:
- Необходимо е да се намери един от клемите на статорната намотка и да се свърже директно към фазовия проводник на електрическата мрежа;
- Вторият извод на статорната намотка ще бъде свързан към една от роторните четки;
- В същото време другата четка е свързана към нулевия проводник на електрическата мрежа;
- За да се осигури правилно включване/изключване, в електрическата верига на клон 1 или 2 е запоен ключ за домакинско осветление (вижте диаграмата по-долу).

За да промените посоката на въртене на шпиндела на електродвигателя, просто сменете точките на свързване на четките.
За тази цел можете да сглобите проста схема с един превключвател. Тъй като двигателят стартира рязко, корпусът му трябва да бъде здраво закрепен към плот на маса, работна маса или друга повърхност. За тази цел използвайте монтажните отвори в отливките на корпуса на двигателя.
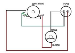
Често „направи си сам“ майсторите инсталират двигатели с регулатор на скоростта на шпиндела в своите проекти. За да се контролира скоростта, в захранването между контакта и една от четките на колектора се запоява димер. Това е обикновен димер за осветление в домакинството. Димерът трябва да е малко по-мощен от електрическия двигател.

Преди да стартирате колекторния мотор от стара пералня, трябва да го разглобите и да проверите състоянието на двата опорни лагера на ротора, да смените износените четки и да почистите медната повърхност на колектора с шкурка с нулева зърнистост.
Свързване на инверторен двигател
Двигателите от този тип са електродвигатели от ново поколение. Следователно, силовите агрегати не могат да се износват значително и следователно всички техни компоненти са напълно годни за по-нататъшна употреба.
За разлика от асинхронните и колекторните двигатели, които използват ремъчни задвижвания, инверторните двигатели с директно действие не изискват такова. Те се монтират директно върху вала на барабана на пералнята, което елиминира необходимостта от трансмисионни елементи като клинови ремъци, ролки и макари.
В инверторния двигател барабанът, лагерите и роторът са монтирани на общ вал, което елиминира необходимостта от триене между частите му. Отличителна черта е използването на електромагнитна индукция за преобразуване на променливия в постоянен ток.

Инверторният двигател се състои от две основни части: статор, който е прикрепен директно към барабана на пералнята, и въртящ се диск. Въртящият се диск има 36 намотки, разположени около ръба на статора, заедно с конектори с проводници, водещи към контролния блок на машината.
Върху него е монтиран подвижен диск на маховика. Дванадесет магнита са залепени от вътрешната страна на корпуса му. Пластмасовата вложка на маховика пасва на вала на барабана. Снимката показва перфорирани отвори с фланци, които осигуряват ефективна вентилация и охлаждане на двигателя по време на работа.

Принципът на действие на инвертора е, че в намотките се възбужда движещо се електромагнитно поле, което чрез магнитите причинява електромагнитно поле, каращо ротора да се върти заедно с барабана.
Само квалифицирани специалисти или домашни майстори с обширни познания по електроника трябва правилно да свързват инверторен двигател. Този тип двигател може да се използва например като сепаратор за масло, бетонобъркачка или дори косачка за трева.
За да научите как да включите и стартирате инвертора за първи път, както и да регулирате обратния ход и броя на оборотите на инвертора, препоръчваме да използвате следната връзка, за да гледате съответното видео.



