
В тази статия ще разгледаме подробно нека разгледаме причините, в резултат на което въпросът за подмяната става актуален. Ще анализираме и всички етапи на подмяна на тръби в банята, започвайки от демонтиране на стари комуникации, избор на материали и полагане на нови.
Тази статия включва видеоклипове и подробни инструкции, които ще ви помогнат лесно да направите всичко сами.
- Разберете кога е необходима подмяна
- Демонтаж на остарели комуникации
- Кои тръби да избера за подмяна в банята?
- Канализационна система: какво да търсите при избора
- Избор на материали за тръбопроводи за топла вода под налягане
- Тръби за студена вода под налягане, изработени от пластмаса
- Инструменти и материали, които ще ни трябват по време на работа
- Избор на тръбопроводна система и етапи на подмяна на главната линия
- Диаграма на разположението на комуналните услуги във формата на Т. Алгоритъм за подмяна на стари тръбни материали с нови.
- Алгоритъм за подмяна на тръбни материали в схема на колектор
- Изпитване на водоснабдителната система под налягане
- Подмяна на щранг, канализационни и дренажни тръби
- Как да смените кранче
- Какво трябва да знаете за подмяната на отопляема сушилня за кърпи
Разберете кога е необходима подмяна
Това може да се дължи на следните обстоятелства:
- физическо износване, водещо до течове;
- запушване на стари метални тръбопроводи с продукти от корозия и варовикови отлагания по стените, което може да доведе до пълно запушване на лумена в тях;
- вибрации на тръбопроводната система поради промени в налягането, които могат да доведат до пълно разрушаване на водоснабдителната система.
Нека определим какви тръби са инсталирани в банята. За целта ще обърнем внимание на температурата на водата в тях. Тя може да бъде:
- горещо – за битови нужди;
- студена - за общо водоснабдяване за различни битови нужди и смесване с топла вода до необходимата температура;
- топла отоплителна система;
- Тъй като средно повече от един кубичен метър вода може да се използва на човек само за битови нужди, задачата за отстраняване на използваната течност чрез гравитационна канализационна система е актуална (в частните домове това количество се увеличава до 3 кубически метра през летния сезон).

За баните оптималният размер обикновено е бил до един инч и четвърт. Преди да смените сами тръбите за баня, е важно внимателно да прегледате стъпките на процеса. Ще ги разгледаме по-долу.
Демонтаж на остарели комуникации
Демонтажът се извършва в следната последователност:
- Първо, трябва да изключите водата на щранговете за топла и студена вода.
- Преди да смените тръбите сами, трябва да премахнете старите тръби. За да направите това, разкачете входната тръба от щранга и се уверете, че входният спирателен вентил е правилно запечатан. Ако е необходимо, монтирайте тапа. Дори малък теч неизбежно ще наводни съседите отдолу и това трябва да се избягва.
- Демонтираните материали трябва да бъдат нарязани на секции. Това се прави, за да се улесни изваждането им от апартамента или къщата.
- Отстранете водопроводните инсталации от стените на помещението, като първо премахнете всички плочки (ако има такива). Важно е да се отбележи, че повторното им използване не се препоръчва, тъй като съвременните методи на монтаж и дизайнът на осветителните тела се различават значително от използваните преди. Важно е да премахнете не само скобите или скобите, но и анкерите, използвани за закрепването им. Дупките в стените трябва да бъдат внимателно запечатани с циментово-пясъчен разтвор или еквивалент.
- Демонтажът на дренажната система се извършва чрез разглобяване на връзките. Първо се отстраняват крепежните елементи. Бетонните опори, определянето на наклона на водопроводната система не е Те подлежат на подмяна и трябва да се оставят на мястото си. Могат да се използват по време на инсталирането на нова канализационна система, за да се поддържа стандартният наклон.
Причината за подмяната им е възрастта на старата дренажна система. Преди това са се използвали чугунени канали, които имат грапава вътрешна повърхност, което допринася за повишено запушване и следователно изисква често почистване при запушване.
Следователно, подмяната на канализационната тръба в банята е задължителна. Щангът за канализация обикновено се намира в тоалетната; само в комбинираните бани може да се намери в банята. Това обаче не е отговорност на наемателя или собственика на имота. управляващото дружество следва да отговаря за подмяната му.
Подмяната на щранг тръбата във ваната трябва да се извърши от комуналното дружество по искане на собственика на жилището.
Кои тръби да избера за подмяна в банята?
Съвременните материали предлагат много предимства пред използваните преди (чугун, черни метали и др.). Пластмасовите материали сега се използват широко.
Гледайте видеото
[sociallocker]
Те включват полипропилен, омрежен полиетилен, металопластика и др. Силно препоръчваме използването на тези материали и ще обосновем твърдението си по-късно в статията.
Преди да смените тръбите за банята си с пластмасови, трябва да определите вида на материала. Строителният пазар е залят от продукти от различни марки, така че нека разгледаме техните предимства и недостатъци, за да определим кои да използваме.
Гледайте видеото
Канализационна система: какво да търсите при избора
Изборът тук е ограничен – можете да използвате традиционен чугун или пластмасови изделия от ново поколение.
Пластмасовите се представят по-добре, защото вътрешната им повърхност е с по-високо качество и предотвратява запушване. Освен това са леки, което ги прави по-лесни за транспортиране до обекта.
Освен това са лесни за монтаж. Връзките се осъществяват с помощта на муфи, където гумените маншети служат като уплътнение. Всички размери са напълно оборудвани с фитинги за създаване на дренажни системи с всякаква сложност.
Материалите, използвани за производството на канализационни тръби, са:
- Полиетиленът (PE) е продукт на полимеризацията на етиленов газ при повишени температури и налягания. В зависимост от технологията на производство се прави разлика между полиетилен с ниска плътност (LDPE) и полиетилен с висока плътност (HDPE). Важно е да се помни, че първият има превъзходни якостни и температурни характеристики.
- Поливинилхлорид (PVC).
- Полипропилен (PP).
Други полимерни пластмаси също се използват в производството на канализационни тръби, но много по-рядко. Те няма да бъдат обсъждани в този преглед.

Съмнително е, че дренажът в тази част на системата ще достигне тези стойности. За външната дренажна система може да се използва полиетилен с ниска плътност (LDPE), тъй като течността в него има по-ниска температура и е значително по-евтина.
За подмяна на дренажни системи в бани се използват тръби с размери 30-40 милиметра, по-рядко 50.
Преди да смените тръбите в банята си с пластмасови, трябва да проучите всички техни характеристики и да изберете правилния вариант.
Избор на материали за тръбопроводи за топла вода под налягане
Предимството на използването на пластмасови изделия е невъзможността им да образуват котлен камък по вътрешните стени. Химически материалът е напълно пасивен и устойчив на повечето агресивни битови вещества, а котлен камък просто не се образува върху тях.
Най-опасното въздействие е причинено от атмосферния кислород, който прониква във водата отвън през порите и микропукнатините в продукта.
Въпреки че не засяга директно материала, допринася за ускорено химическо износване на металните части на тръбопроводната система, която в банята включва нагревателя за кърпи и спирателните вентили. В резултат на това те често се нуждаят от подмяна.
За да се преодолее този недостатък, е разработена кислородна защита. Тя използва алуминиева лента с дебелина най-малко 0,1 милиметра. Тя се навива върху основа, която представлява тръбна заготовка, по спираловиден модел.
Съединението се заварява непрекъснато по време на производството с помощта на лазер. След това върху металната обвивка се нанася друг слой пластмаса. Това създава трислоен продукт, чиято вътрешност е херметически запечатана срещу проникване на кислород.
На челната си страна металният кожух се вижда като тънка, лъскава лента. В допълнение към стандартните маркировки, по външната повърхност е нанесена надлъжна червена лента.
За тръбопроводи за топла вода е за предпочитане тръбите в банята да се сменят с полипропиленови с кислородна защита.
Тръби за студена вода под налягане, изработени от пластмаса

Производственият процес е подобен на монтирането на алуминиева защитна обвивка, но вместо алуминий се навиват нишки от фибростъкло. На челната страна този подсилващ слой се отличава с тъмна концентрична лента. Външната повърхност е маркирана със синя надлъжна ивица.
За вътрешно окабеляване при подмяна в баня се използват продукти с диаметър 20-25 милиметра, а за разклонения към специфични конзоли - 16.
Инструменти и материали, които ще ни трябват по време на работа
Подмяната на пластмасови тръби в баня изисква използването на специфичен набор от инструменти и оборудване за монтаж на водопровод. Съставът на тези инструменти и оборудване се определя от характеристиките на използваните материали.
Инструментите за работа с PVC продукти включват ножици. Ключовото изискване за тази операция е строго перпендикулярно рязане, тъй като основните методи за свързване са студено заваряване или муфно съединение. Понякога, в допълнение към гумения маншет, се използва уплътнител.
Ако изберете полипропиленови продукти за вътрешното окабеляване на банята си, ще ви е необходим специално проектиран поялник и режещо устройство за съединяване.
Физическите характеристики на полипропиленовите продукти не позволяват производството им на рула, така че връзките играят важна роля по време на монтажа.
По време на монтажа се използват разнообразни фитинги, позволяващи създаването на водопроводни мрежи с всякаква сложност. При необходимост се предвижда използването на комбинирани компоненти. за прехода от метал към пластмаса.

Продуктите от омрежен полиетилен се използват за създаване на системи за студено и топло водоснабдяване в бани. Връзките се извършват с помощта на специално проектирани компресионни фитинги. За монтажа им се използват кримп инструменти.
При работа с металопластични изделия, краищата на съединяваните части се почистват. Това се прави със специален инструмент— край на плочката, които също трябва да са налични.
Очевидно е, че по време на работния процес може да са необходими и други инструменти с общо предназначение:
- Електрическа бормашина за пробиване на отвори в стени за монтаж на скоби - държачи.
- Бормашини или свредла за бетон с необходимите размери.
- Перфоратор за пробиване на отвори в стените, през които ще преминават резервни тръби.
- За запечатване на дупките в стените след полагане ще е необходима цименто-пясъчна смес, заедно с мистрия и други инструменти.
- За да прорежете старата водопроводна система при подмяната ѝ, ще ви е необходима ъглошлайф, оборудван с метален режещ диск.
- Крепежни елементи за монтаж на тръби, включително скоби, дюбели (пластмасови вложки в отвори), винтове.
- Отвертка или комплект отвертки.
Количеството основни материали зависи от избраната схема за монтаж на водопровод.
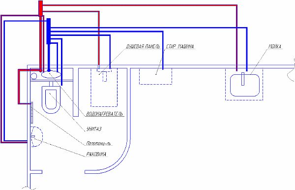
Избор на тръбопроводна система и етапи на подмяна на главната линия
Традиционният метод за инсталиране на ВиК в баня е методът с тройник. Той включва прокарване на главната тръба от щранга до крайната точка на потребление. Тя се прокарва по стената и се закрепва със скоби.
Гледайте видеото
[sociallocker]
При достигане на всяка точка на водозахранване се монтира тройник, от който гъвкав маркуч се свързва към крана или смесителя. Втора тръба, за подаване на топла вода, се монтира паралелно и се свързва към съответния кран по същия начин.
Струва си да се отбележи, че подмяната на стари тръби в банята не е отделен процес. Тя се извършва едновременно за цялата водопроводна система.
Диаграма на разположението на комуналните услуги във формата на Т. Алгоритъм за подмяна на стари тръбни материали с нови.
Последователността на отделните връзки в банята от началото на системата до края може да изглежда така:
- Монтирайте груби и фини филтри за вода след щранга. На това място са свързани и водомери за топла и студена вода.
- Удължете разклонителна тръба от щранга до първата точка на водозахранване. За да я свържете, може да ви е необходим адаптер от метал към пластмаса, който е стандартен продукт. Главната тръба може да бъде с размер 20 или 25 милиметра.
- Монтирайте тройник, който да се свърже с първата точка на използване, обикновено тоалетната или бидето, тъй като тръбата традиционно се намира в тоалетната. Тогава втората точка за свързване на тоалетната също ще бъде разположена тук. Към нея се свързва само студена вода.
- След това системата се пренася през стената в банята, където трябва да се монтират последователно тройници за ваната, пералнята и мивката.
- От банята окабеляването се пренася към кухнята, където точките за прием на вода са изходите за мивката, кухненската машина и друго оборудване, което консумира вода.
- В последния участък на водоприемника в тройника се монтира коляно или тапа.
Този метод се използва за инсталиране на нови тръбопроводи за студена и топла вода при подмяна на стари. Броят на необходимите фитинги, включително гъвкави колена с диаметър 16 милиметра, се определя от броя на точките за водоснабдяване. Изключение прави тоалетната, която няма захранване с топла вода.
Гледайте видеото
ВАЖНО! Предимството на тази схема на свързване е икономичното използване на материали; общата дължина на всеки тръбопровод за студена и топла вода е практически равна на разстоянието от входната точка до края на комуникацията.
Недостатъкът са следните обстоятелства:
- Необходимостта от изключване на всички кабели по време на ремонт или поддръжка.
- Спад на налягането на водата в системата, когато няколко точки за водоснабдяване са включени едновременно.
Гледайте видеото
[sociallocker]
Алгоритъм за подмяна на тръбни материали в схема на колектор
Този метод включва инсталиране на разпределителна станция – колектор – от който водата се разпределя до точките за потребление на вода. За свързване към колектора по време на подмяната се използва тръба с диаметър 20 или 25 мм, докато за отделните разклонения се използват тръби с диаметър 16–20 мм.
Самото устройство се състои от метален или пластмасов корпус, от който се простират клонове, всеки от които е снабден със сферичен кран. Естествено, за подаване на студена и топла вода се монтират отделни колектори. При подмяната всеки клон се свързва със съответния кран или смесител.
Този метод за разпределение на водата в цялата система позволява, ако е необходимо, да се изключи съответният клон на колектора и да се извършат ремонтни дейности.
Гледайте видеото
Ако за подмяната на окабеляването се използват гъвкави полиетиленови или полипропиленови тръби, от намотката се измерват парчета с необходимия размер и се изрязват до действителните размери. За тази цел на външната повърхност се отпечатва линийка, която позволява определяне на дължината без излишни измервания, дори в тесни пространства.
Когато се използва за подмяна на PVC тръби, сглобяването се извършва на секции върху работна маса. Много е неудобно да се работи с поялник, докато виси.След като секцията е заварена, тя окончателно се окачва с помощта на партньор.
Тръбите се закрепват към стените с помощта на пластмасова скоба. Тя се завинтва в отвор с дюбел и тръбата се вкарва в жлебовете на скобата. Впоследствие всички тръби могат да бъдат покрити със стенен монтаж на кутия.
Когато се използват безшевни клони, те могат да бъдат скрити в стената, но необходимото количество профилиране е доста значително.
ВНИМАНИЕ! Този метод на окабеляване строго не се препоръчва за резбовани или запоени съединения. Ако се открие теч, локализирането му е практически невъзможно и е необходимо премахване на голяма част от стената, за да се поправи.
Скобите се монтират на стената на разстояние не повече от метър една от друга, както и на входа и изхода на завоя. След завършване на монтажа, ако е необходима подмяна, изпитване на налягане на нова водоснабдителна система.
Изпитване на водоснабдителната система под налягане

Изпитването на системното налягане се извършва в следния ред:
- Прегледайте оригиналните спецификации на тръбите относно максимално допустимото налягане. Тази стойност е посочена в сертификата за качество и не трябва да се превишава.
- Проучете инструкциите на устройството и действайте в съответствие с препоръките му.
- Напълнете системата с вода и свържете устройството.
- Доведете налягането в системата до 4,8 атмосфери (работно налягане), проверете за течове и, ако е необходимо, отстранете дефектите.
- Продължете да изпомпвате течност до налягане от 7,2 атм (5,8 x 1,5), повторете контролната операция.
- За да сте напълно сигурни, увеличете налягането в системата до 9 атмосфери и я оставете в това положение за 24 часа.
В идеалния случай, след това време налягането в системата трябва да остане непроменено.
Проверете останалите вериги по същия начин.
Подмяна на щранг, канализационни и дренажни тръби

Вътрешното разпределение на гравитационните водоснабдителни системи се извършва с помощта на тръби с диаметър 30-40 мм, а ако има голям брой точки за водовземане, се използват тръби с диаметър 50 мм. При монтаж на тръби с муфа по време на подмяната трябва да се поддържа наклон от най-малко три милиметра на метър от дължината на системата.
Подмяната на тази комуникация в жилищна сграда се извършва от експлоатационната организация.
В частен дом, щрангът може да се смени независимо, като се използва тръба с диаметър 100 мм или 80 мм. Особено внимание трябва да се обърне на монтажа на дренажната секция.
Гледайте видеото
Когато сменяте тръбите, е необходимо да ги регулирате съответно опъната струна с наклон не повече от пет милиметра на метърТова изискване произтича от факта, че течността в канализационната тръба е суспендирано твърдо вещество. При оттичане под стръмен ъгъл, течността се оттича по-бързо от твърдите частици, които се утаяват по стените, причинявайки запушване.
Как да смените кранче
За да смените това устройство, трябва:
- изключете подаването на вода към тази верига на колектора;
- развийте гъвкавите тръбопроводи за топла и студена вода от смесителя;
- развийте затягащата гайка и извадете смесителя от гнездото;
- инсталирайте новото устройство в обратен ред;
- Включете водата във веригата, проверете връзките за течове.
Гледайте видеото: Смяна на кран
Подмяната на тръба на смесител за баня е необходима, когато се открие теч и тя не може да бъде скъсена. Това може да се направи самостоятелно, без помощта на водопроводчик.
Какво трябва да знаете за подмяната на отопляема сушилня за кърпи
Подмяната на нагревател за кърпи в баня с пластмасови тръби е възможна само ако температурата на отоплителната вода не надвишава 75 градуса по Целзий. Той трябва да бъде свързан към отоплителния кръг и здраво закрепен към стената.
Гледайте видеото за това как да смените нагревател за кърпи.
Системата трябва да включва клапан за освобождаване на въздушната ключалка от отопляемата кърпа, в противен случай няма да има циркулация на охлаждащата течност.











