Системите за хидравлично подово отопление, които често се инсталират в домовете днес, изискват източник на захранване. Ако не са свързани към централна отоплителна система, е необходим отделен отоплителен котел.
В тази статия ще разгледаме всички видове котли, техните плюсове и минуси. Ще научите кой котел да изберете за подово отопление, как да изчислите капацитета му и как да го свържете сами.
- Видове бойлери, техните предимства и недостатъци
- Дизел
- Твърдо гориво
- Газ
- Електрически
- Какви видове котли се препоръчват за водни подове, основни изисквания
- Какъв електрически бойлер да избера за подово отопление?
- Как да се изчисли мощността и разходите за отопление
- Най-добрите производители
- Buderus Logamax
- Коспел ЕККО
- Серии „Галан“, „Сърце“, „Гейзер“, „Вулкан“
- Фероли
- РусНИТ
- Baxi Amptec
- Как да свържете електрически бойлер към подово отопление
Видове бойлери, техните предимства и недостатъци
Има различни устройства за загряване на охлаждащата течност. Те се различават по вида гориво, с което работят: дизел, твърдо гориво, газ и електричество.
Освен това, котлите се различават по начина си на монтаж: те се окачват на стена или се монтират на пода.
Подовите устройства са по-мощни, докато стенните са по-лесни за поставяне и по-евтини.
Дизел
Тези системи работят с дизелово гориво. Те са ефективни, предлагат висока производителност и консумират минимално гориво. Лесни са за свързване и поддръжка.

Твърдо гориво
Горивото, използвано за такива котли, е дърва за огрев или пелетиТе работят подобно на конвенционална печка, но дървата горят при високи температури - 250 градуса по Целзий - без въздух.
Течността се нагрява от горещ дим, който се отделя по време на горенето на горивото.

Те рядко се инсталират в апартаменти; основното им приложение е в промишлени помещения или частни домове. Предимството на този тип е ниската му цена и лекотата на използване.
Газ
Както подсказва името, тези устройства работят на газ. Корпусът им обикновено е от стомана или чугун, което пряко влияе върху живота на устройството и изискванията за монтаж.
Стоманените котли са по-леки от чугунените, компактни са и лесни за ремонт, но експлоатационният им живот е кратък. Чугунените котли издържат по-дълго, надеждни са, икономични и работят с всякакъв вид газ – от газопровода или втечнен нефтен газ – но са по-скъпи.

Трябва да се отбележи, че те не са подходящи за подово отопление, тъй като могат да поддържат температура на водата само в диапазона +80°C. За хидравлични подове охлаждащата течност трябва да достига само 45°C, което намалява ефективността на устройството.
Но ако добавим дизайн със смесителен блок, тогава котелът може да се използва в хидро подове.
Електрически
Електрическите бойлери работят на електричество. Те са най-добрият вариант за подово отопление, тъй като могат да загряват водата до нивото, необходимо за безпроблемна и икономична работа, и са лесни за свързване. Освен това, те запазват производителността си дори когато са изключени за продължителни периоди (повече от шест месеца).
Техният недостатък е, че са скъпи за експлоатация, енергозависими са и не могат да функционират без електричество.
Видове електрически бойлери:
- Нагревателните елементи са най-простият и доказан вариант, така че най-често се инсталират в хидравлични системи. Те са с тръбен нагревател - надежден елемент с ефективност, достигаща 98%. Мощността им варира от 2 до 60 kW и работят от еднофазна или трифазна мрежа. Нагревателните елементи се предлагат в едноконтурни и двуконтурни конфигурации:
- Едноконтурни - тези мини-котли загряват само охлаждащата течност; за пълноценното им използване те изискват и котел и топлообменник.
- Двуконтурните агрегати не само загряват вода, но се използват и за отопление; те вече имат вграден бойлер и топлообменник, но цената им е по-висока.
2. Електродните нагреватели са подходящи за хидравлични подове. Те са компактни, издръжливи, високоефективни и достъпни. Уникалната им характеристика е, че използват само антифриз като охлаждаща течност.
Те работят на различен принцип: охлаждащата течност се нагрява бързо от съпротивлението на положителните и отрицателните електроди.
3. Индукционните котли са технологично напреднали електрически котли за подово отопление. Те са проектирани да консумират минимална енергия, като същевременно постигат висока ефективност и дълъг експлоатационен живот (30 години). Могат едновременно да работят с подово отопление и радиаторно отопление.

Тези устройства са автоматизирани, надеждни и безшумни и могат да се използват с всякакъв тип отоплителна течност. Не изискват комин или отделно помещение за монтаж.
Когато работят, те излъчват електромагнитни вълни, така че контактът с тях няма да причини изгаряне.
Те бързо достигат работен режим, но са по-скъпи от другите електрически видове.
Какви видове котли се препоръчват за водни подове, основни изисквания
Няма котли, специално проектирани за подово отопление с циркулираща течност, и не всички съществуващи модели са подходящи. Спецификациите на оборудването посочват, че те могат да се монтират с отоплителни системи.
Основното изискване за котел с електрически двигател за отопление с циркулираща течност е работа при ниски температури, което означава, че той не трябва да нагрява охлаждащата течност над 55 градуса по Целзий. След това ще нагрее повърхността до 30 градуса по Целзий, което е комфортно ниво на нагряване.
Професионалистите препоръчват инсталирането на подово отопление в домовете, използващи нискотемпературни електрически бойлери. За да се поддържа желаната температура на водата, те трябва да имат регулатор; индукционните бойлери и повечето нагревателни елементи имат такъв. Електродните бойлери обаче не се считат за нискотемпературни; те имат минимална температура на нагряване от 60°C, така че без смесителен блок не са подходящи за подово отопление.
Могат да се използват кондензационни газови котли, които са ефективни при загряване на малки количества вода. Обикновените газови котли, за монтаж в система с подово отопление, са подходящи само ако е допълнително монтиран смесителен колектор.
Котлите на твърдо гориво също не са най-добрият избор за хидравлични подови настилки. За да се осигури правилна работа, те изискват инсталирането на редица допълнителни компоненти (смесително-разпределителен блок, термостат, помпа и др.) и дори тогава постигането на необходимото ниво на нагряване на водата е трудно.
Какъв електрически бойлер да избера за подово отопление?
Както бе споменато по-горе, най-подходящото устройство за хидроподови настилки е електрическият бойлер. Той работи автономно и не изисква надзор.
Когато избирате електрически бойлер за подово отопление, най-добре е да изберете модели, които са одобрени за монтаж в системи за подово отопление. В противен случай ще е необходимо преустройство и монтаж на допълнителни компоненти.
Когато избирате електрически бойлер, трябва да вземете предвид следните параметри:
- Мощността, необходима за отопление на дома ви, зависи от размера на помещението, дебелината на слоя замазка и довършителния материал.
- Опциите за монтаж включват стенен или подов монтаж. Изборът зависи от наличното пространство и теглото на устройството. Електрическите бойлери с висока мощност са тежки и не се препоръчват за стенен монтаж.
- Брой вериги - за хидро подове са подходящи модели с един или два контура.
- Система за безопасност и регулиране - нейното наличие значително ще улесни процеса на регулиране и управление на устройството.
Преди да изберете устройство, е важно да се запознаете с информацията на производителя. Важно е да изберете реномирани компании, които предлагат гаранция за своите продукти.
За да се намалят разходите за енергия при инсталиране на подово отопление от електрически бойлер, се препоръчва инсталирането на автоматизация чрез специален сензор, който се монтира на разстояние 20 см от повърхността.
Това ще помогне за поддържане на температурата в помещението на предварително зададено комфортно ниво, дори когато потреблението на енергия намалее. Алтернативен вариант е GSM термометър, който следи температурата на течността и я поддържа на желаното ниво, когато къщата е празна.
Как да се изчисли мощността и разходите за отопление
Мощността на електрическия котел може да се изчисли по формулата:
M = K x OP x RT x KR x 1 kW/860 kcal,
Къде:
- K е коефициентът на безопасност, равен на 1,15 или 1,2;
- ОП — площ на помещението;
- RT е температурната разлика между стайната температура и външната температура;
- KR е коефициентът на дисперсия.
Стандартната отоплителна мощност за електрически бойлер за хидроподово отопление е 1 kW на 10 m². Ако е инсталиран двуконтурен бойлер, към тази цифра се добавят допълнителни 30%.
Особеност на този уред е, че когато захранването с топла вода е включено, водата продължава да се нагрява, което създава допълнително натоварване. Поради това в техническата документация са посочени препоръчителните параметри на кабела за този тип отопление.
Често при изчисляване на мощност резултатът е 5,2 или 8,2 kW, като в този случай стойността се закръглява нагоре.
Най-добрите производители
Има много европейски и руски компании, които произвеждат котли, подходящи за монтаж в системи за подово отопление. Ще ви разкажем за най-известните и висококачествени продукти.
Buderus Logamax
Немска компания произвежда екологично чисти стенни отоплителни елементи с различна мощност.
Предимства на Buderus Logamax:
- може да се свърже с всякакъв вид отопление;
- възможен е монтаж в затворени системи;
- имат повишена ефективност;
- не е сложен монтаж.
Сред недостатъците е високата цена.
Коспел ЕККО
Полска компания произвежда стенни отоплителни елементи, които могат да се свържат към подово отопление. Те са оборудвани с шестстепенен регулатор на мощността и автоматичен предпазител.
Инсталирането и работата на тези устройства са прости. Такова електрическо оборудване обаче е скъпо.
Серии „Галан“, „Сърце“, „Гейзер“, „Вулкан“
Надеждни електрически бойлери от руски производител с 30-годишна гаранция. Лесно оптимизирани за всяко ниво на топлинни загуби, те предлагат бърза възвръщаемост на инвестицията.
Оборудването е проточно, така че инсталирането му не изисква одобрение от регулаторните органи. Водата се нагрява без нагревателен елемент, чрез йонизация.
Предимствата включват:
- автоматизация;
- натрупване на простата,
- безшумна работа;
- ниска цена.
Сред недостатъците:
- страх от внезапни пренапрежения;
- наличието на голямо натоварване върху окабеляването.
Фероли
Италианска компания, произвеждаща широка гама от стенни, едноконтурни електрически котли с различна мощност, свързани към еднофазни и трифазни мрежи.
Висококачествени електрически бойлери с управление, зависимо от времето, и цифров LCD контролен панел.
Недостатъци: висока цена и липса на сензор за поддържане на постоянна температура.
РусНИТ
Тази руска компания произвежда малки, леки стенни електрически котли, способни да отопляват помещения с площ до 80 м². Те работят на еднофазен и трифазен ток.
Ценовата политика на компанията е достъпна за повечето потребители. Струва си да се отбележат трудностите при инсталирането, които понякога възникват по време на свързване от необучени потребители.
Baxi Amptec
Baxi (Италия) произвежда уреди, подходящи за различни отоплителни системи, включително радиатори и подово отопление. Някои модели могат да работят при ниски температури.
Устройствата са компактни и лесни за работа. Цената им е пряко свързана с мощността на устройството.
Предимството е, че работят на открито при температури под нулата.
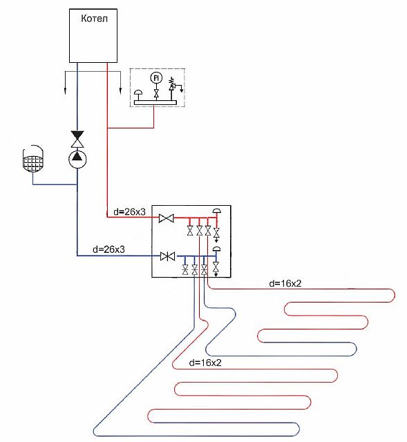
Как да свържете електрически бойлер към подово отопление
Свързването на електрически бойлер не е сложно, но има свои собствени уникални характеристики, които е важно да се вземат предвид. Ето защо, преди да започнете работа, е важно да проучите инструкциите на оборудването и да разгледате схемата на свързване на системата за подово отопление и електрическия бойлер.
Свързването може да се осъществи директно към устройството, чрез трипътен вентил или колекторна група.

Устройството се инсталира след полагане на подово отопление "пай".
Ще разгледаме процеса на свързване на електрически бойлер чрез смесителен блок.

Последователно изглежда така:
- Окабеляването се прокарва до избраното място, където ще бъде инсталиран електрическият бойлер. Тъй като натоварването на мрежата ще бъде голямо, е необходима отделна линия.

- Котелът се монтира в обозначеното място. Ако уредът е подов, той се доставя със стойка, на която се монтира. За стенен монтаж трябва да се пробият отвори, в които се монтират дюбели.
- Котелът е свързан към захранването. След като цялото окабеляване е завършено, трябва да се монтира и заземи допълнителна защита, като например RCD прекъсвач.

- Разпределителният колектор е инсталиран.

- Тръбите за подово отопление са свързани към устройството. Подаващите и връщащите тръби от всички кръгове са свързани към разпределителното устройство.

- С помощта на тръбопровод, захранващите и изходните тръби на колекторната група се свързват със съответните изходи на котела.

- Системата се тества за течове.
Едва след това се излива бетонната замазка. Монтирането на подово отопление с електрическо оборудване може да осигури необходимото ниво на нагряване.
Когато избирате електрически бойлер, трябва да вземете предвид характеристиките на вашата отоплителна система и помещението, и тогава ще получите по-икономична форма на отопление.




Недостатъците са ясно описани. Благодаря.