Днес подовото отопление е доста често срещано в домовете. То може да служи като основно или допълнително отопление.
Въпреки това, за да функционира ефективно тази система, е важно да се разбере как работят подовете с водно отопление и да се монтират правилно.
- Как работи подово отопление с вода и как работи?
- Как работи подовото отопление в комбинация с радиатори?
- Дизайнът и принципът на работа на системата при свързване към бойлер
- Принцип на действие на смесителен блок (трипътен и двупътен вентил)
- Разпределителни колектори
- Монтаж на подове с водно отопление
- Популярни производители на компоненти
- Видео уроци
Как работи подово отопление с вода и как работи?


Подовото отопление е надеждна и икономична система, която създава комфортни условия за хората. Благодарение на дизайна си, температурата в долната част на помещението винаги ще бъде с няколко градуса по-висока, отколкото в горната.
Самата система представлява конструкция от тръби, разположени между подовата настилка и готовия под. Веригата включва захранваща и връщаща линия. Дизайнът може изливане на бетонна замазкаили да се полагат по метода на подовата настилка.
Освен това, конструкцията е оборудвана с колекторен блок, който е снабден с контролни устройства. Отоплението се постига чрез циркулираща гореща охлаждаща течност във веригата, а движението на самата охлаждаща течност се осигурява от сметка за специална циркулационна помпа.
Монтажът на хидравлични отоплителни системи изисква разрешение, тъй като те са свързани към основната отоплителна система. Подовото отопление обикновено се инсталира в частни домове; по-рядко се среща в апартаменти поради риска от наводняване на съседите отдолу. Като алтернатива, в собствения си дом можете да се свържете към отделен бойлер.
„Пайът“ на подово отопление с вода изглежда така:
- основа;
- хидроизолация;
- топлоизолационен слой;
- тръби;
- бетонна замазка;
- финишно покритие.
Моля, обърнете внимание! Стандартният размер на тръбата е 16 мм, с допустима дължина на веригата от 80 см и диаметър от 20–120 см.
Средната дебелина на "пай" с воден под варира от 18 до 23 см.
Хидравличното подово отопление е нискотемпературна система, която нагрява циркулиращата течност до температура между 35 и 45 градуса по Целзий. Мощността му зависи от температурата на охлаждащата течност. При нагряване на водата до 45 градуса по Целзий, мощността ще бъде 140 вата. Следователно, когато отоплявате къща единствено с хидравлично подово отопление, площта на покритие трябва да бъде поне 70%.
Освен че е енергийно ефективен, водният кръг, запълнен с бетон, задържа топлината за дълго време. Недостатъците включват дългото време, необходимо за нагряване на бетонния слой, и тежката конструкция, която не всички подове могат да поддържат.
Съществуват редица схеми за свързване на подово отопление и в тази статия ще разгледаме по-подробно принципите на работа на някои от тях.
Как работи подовото отопление в комбинация с радиатори?

Има случаи, в които подовото отопление може да се монтира само в комбинация с радиатор. Радиаторите ще служат като основен източник на отопление, често инсталиран близо до прозорец. Подовото отопление се инсталира като допълнителен източник на отопление, или в центъра на стаята, или в определени зони.

С правилно избрана подова настилка, комбинираната система може да се монтира в помещения с всякакво предназначение и в сгради с произволен брой етажи.
Предимството на инсталирането на подово отопление на приземния етаж е, че топлите въздушни потоци ще се издигат до тавана и ще отопляват не само този етаж, но и пода на следващия етаж, където са монтирани само радиатори.
Има няколко начина за реализиране на тази система. Единият е да се монтира Т-образен конектор на входа и изхода, като към единия край се свързва радиатор, а към другия - подово отопление.
Освен това, подовото отопление може лесно да се свърже към съществуваща радиаторна система с помощта на безжичен термостат, което опростява и ускорява както процеса на монтаж, така и процеса на свързване.
Дизайнът и принципът на работа на системата при свързване към бойлер
Котелът е оборудването, отговорно за нагряването на охлаждащата течност. При инсталиране на подово отопление е излишно, ако системата е свързана към централното отопление.
Важно е да се има предвид, когато се използва система за подово отопление със самостоятелен бойлер, че температурата на водата не трябва да надвишава средно 45°C. Това важи особено за газов бойлер, тъй като:
- Работи ефективно при максимални температури от 70–90°C, но когато температурата падне, ефективността намалява и разходите за гориво се увеличават;
- Ако котелът работи при по-ниски температури, ще се образува конденз, което ще намали експлоатационния му живот.
За да се избегнат тези проблеми, се препоръчва закупуването на бойлер с необходимите температурни разлики (кондензационен).

Друг вариант е да се инсталира подово отопление от електрически бойлер, но това е скъп ресурс. Електрическите бойлери се предлагат:
- С Ten оборудването не е скъпо, но често се разваля.
- Електродни нагреватели — тяхната работа зависи от качеството на охлаждащата течност или по-точно от проводимостта на течността. Този тип устройства изискват периодична поддръжка — смяна на електродите. За да ги стартирате, ви е необходима питейна вода или специална течност, която може да бъде закупена с оборудването.
- Индукционните котлони са най-скъпите, но са и най-енергийно ефективни. Те загряват вода бързо и консумират минимално електричество.
Когато се разглеждат системите за подово отопление с бойлер и вода от гледна точка на ефективност, пелетните и брикетните отоплителни системи са на второ място след газовите. Системите на твърдо гориво изискват постоянно отстраняване на пепел и шлака от горивната камера. Предлага се котел с по-дълго горене, макар и по-скъп, но изисква зареждане средно веднъж седмично, а продуктите от горенето трябва да се отстраняват много по-рядко.
Днес се продават и комбинирани модели котли; те работят на твърдо гориво и електричество. Има автоматични нагревателни елементи, които се изключват, когато се достигне зададената температура, и след това се включват отново.
Моля, обърнете внимание: Котлите на течно гориво рядко се използват в системи за подово отопление, тъй като трябва да бъдат разположени в отделно помещение поради миризмата и шума, които произвеждат.
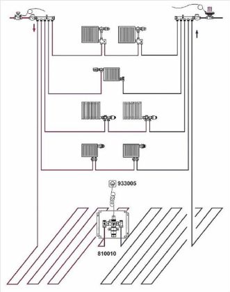
Принцип на действие на смесителен блок (трипътен и двупътен вентил)
Смесителният блок се състои от два основни компонента: циркулационна помпа и регулиращ вентил. Помпата циркулира охлаждащата течност, докато вентилите регулират потока на топла вода, за да поддържат желаното ниво на нагряване.
Смесителният блок може да се постави в шкафа на колектора или в котелното помещение, върху гребена.
Смесителните устройства се предлагат в два вида:
- Трипътен смесителен вентил се използва за смесване на загрята вода от котела с охладената охлаждаща течност. Когато е оборудван със серво задвижване, вентилът може да се управлява или от термостат, или от контролери, зависими от времето. Този смесителен вентил се счита за универсален, въпреки че има няколко недостатъка:
- Има вероятност клапанът да отвори подаването на гореща охлаждаща течност (90°C) в системата; това може да се случи най-често при стартиране на устройството, което ще доведе до спукване на тръбите;
- Този тип клапан има нисък пропускателен капацитет, който е недостатъчен за подово отопление, което ще повлияе на нивото на нагряване на охлаждащата течност.
Този смесителен блок обаче не е заменяем в големи помещения, повече от 200 м2.

2. Двупътният вентил е най-добрият вариант, тъй като той непрекъснато смесва студената охлаждаща течност и се регулира само водата, идваща от бойлера. Това предотвратява прегряването на пода, като по този начин удължава живота му.
Този дизайн се използва само в малки площи – до 200 м2.
Това са основните смесителни възли, използвани при монтажа на подово отопление с вода.
За ваша информация! Някои трипътни вентили са оборудвани с термостатична функция. Има и модели с електрическо-термично задвижване и плавно регулиране, което е идеално за подово отопление.
Как работи системата, когато е свързана чрез помпено-смесителна единица?
Друг вариант за инсталиране на подово отопление в частен дом е инсталирането на помпено-смесителна единица. Тя се монтира зад радиатора, който служи като източник на топлина. Възможно е и свързване към бойлер.

Хидравличната система за подово отопление с помпено-смесителна единица работи чрез смесване на горещата охлаждаща течност, подадена от източника на топлина, със студената отпадъчна вода. Целият този процес се осъществява в смесителната единица. Балансиращи вентили могат да се използват за регулиране на потока на студена и топла охлаждаща течност.
Подово отопление с водно отопление и помпено-смесителна система се счита за една от най-ефективните системи, лесно поддържащи комфортни условия в помещенията. Може да се закупи готово или да се сглоби самостоятелно.
Разпределителни колектори
Разпределителният колектор е ключов компонент, отговорен за регулирането на подовото отопление. Той е проектиран да разпределя равномерно охлаждащата течност по контурите. Снабден е с отвори за подаване на топла вода и събиране на охладена вода.

Всички разпределителни кръгове трябва да бъдат оборудвани с термостатични вентили, които могат да се използват за регулиране на температурата във всеки контур на подово отопление, и регулатори на дебита. Тази конструкция, съчетана с температурен сензор, позволява поддържането на стайна температура на предварително зададено ниво, като реагира чувствително на промените във външното време.
Всяка стая е оборудвана с термостат, който управлява няколко задвижващи механизма, по един за всеки клон. Някои модели термостати разполагат с програмируема функция, която ви позволява да зададете желания режим на работа или времето за включване/изключване на отоплението.
Освен това, колекторът позволява на въздуха да излиза от системата през изпускателния клапан, а спирателният клапан служи за балансиране и източване на водата.
За удобство, разпределителният блок е скрит в специален метален шкаф, който е монтиран на стената или в ниша.
Монтаж на подове с водно отопление
Преди работа по монтаж на подове с водно отопление Изготвя се схема за полагане на тръби и се съставя списък с необходимите материали.
Поетапният процес на инсталиране на подово отопление изглежда така:
- Подготовка на основата - ако има пукнатини или големи разлики в нивото, те трябва да бъдат запечатани със специален разтвор или да се излее тънък слой груба замазка.
- Препоръчва се монтажът на разпределителния шкаф с цялото необходимо оборудване преди полагане на подовата настилка, тъй като тази работа е мръсна и ще доведе до прах и отломки.
- Хидроизолация - основата трябва да бъде покрита с хидроизолационен материал, за да се предпази от влага.
- Монтаж на амортисьорна лента — тя трябва да се постави по целия периметър на помещението; това ще предотврати деформацията на конструкцията при нагряване.
- Топлоизолация – необходимият слой топлоизолация върху бетонен под е 7–10 см. Екструдираната полистиролова пяна е идеална за тази цел. Съществуват и жлебовани плочи за полагане и закрепване на тръби.
Има топлоизолационен материал със слой фолио, той помага за отразяване на топлината в желаната посока.
Полагането на тръби е сърцето на подовото отопление, така че към избора им трябва да се подхожда сериозно.
Тръбите са:
- металопластика - те са трудни за инсталиране, тежки са и огъването им изисква специално оборудване;
- полипропилен - имат висока топлопроводимост, но такъв контур изисква надеждно фиксиране, тъй като е склонен да приеме първоначалната си форма;
- Гофрирана неръждаема стомана - най-популярната, лесна за монтаж, с висока степен на топлопроводимост и предлагана в различни размери;
- медните са здрави и издръжливи, но са скъпи и трудни за самостоятелно инсталиране;
- Полиетиленът PERT и PRX се използват често, защото продуктът е еластичен и има добри експлоатационни характеристики.
Монтажът на тръбите се извършва съгласно планирания модел (охлюв или змия) и на определената стъпка. Веригата може да се закрепи към предварително монтираната армировъчна мрежа с пластмасови скоби.

При полагане на рогозка с вдлъбнатини като топлоизолация, тръбите се полагат между жлебовете и по този начин се закрепват здраво.
- Свързване - тръбите трябва да бъдат свързани към подаването и връщането на подовото отопление.
- Преди изливане на замазката трябва да се извърши изпитване на пода с налягане, за да се проверят течове и да се осигури правилна работа. Изпитването се извършва при повишено налягане в продължение на 24 часа.
- Изливане на замазката — дебелината ѝ зависи от диаметъра на тръбата и е средно 5–7 см. При изливане на бетона в тръбите трябва да има налягане.

- Първоначално активиране на пода: Не включвайте системата, докато бетонната смес не изсъхне напълно, което ще отнеме около месец. За да се предотврати напукване на замазката, температурата трябва да се повишава постепенно, като се започне от 20 градуса по Целзий и се увеличава с 3-4 градуса по Целзий всеки ден, докато се достигне работната температура.
- Полагането на финалния под може да бъде от всякакъв материал, стига да е съвместим с отоплителната система. Подовото отопление работи добре с керамични плочки.
Моля, обърнете внимание! При полагане на под по сух метод, строителният процес се състои от монтиране на дървени греди, летви, закрепени върху тях, и полагане на тръби между тях.
Популярни производители на компоненти
При инсталиране на хидравлично подово отопление, изборът на правилните компоненти е лесен, тъй като повечето производители на тези системи произвеждат и аксесоари. Освен това, някои производители са започнали да произвеждат смесителни възли, елиминирайки нуждата от отделна циркулационна помпа.
Най-доверените производители, които произвеждат полимерни тръби с експлоатационен живот над 50 години, включват:
- «Валтек»;
- „Де Дитрих“;
- «Ацв»;
- «Ctc»;
- „Будерус“.
Освен това, тези компании произвеждат контролни панели, които ви позволяват да наблюдавате работата на системата от всяка точка на дома.
В заключение може да се каже, че хидравличното подово отопление е по-ефективно от другите видове отоплителни устройства. В крайна сметка, енергията не се губи за нагряване на въздуха под тавана.
Ако решите да инсталирате подово отопление, внимателно проучете всички възможни схеми за монтаж на тези системи, както и как работят хидравличните подови отопляеми подове в апартамент или къща, за да изберете най-добрия вариант за вас.
Видео уроци



