Не сте сигурни как работи регулаторът на скоростта на вентилатора? Регулаторът на скоростта на вентилатора работи чрез промяна на честотата на тока или напрежението. Можете сами да запоявате реобите от диоди, променливи и постоянни резистори, кондензатори, тиристори.
Тази статия ще разгледа подробно предназначението и принципа на работа на контролера на скоростта на вентилатора, неговото приложение и различните налични видове. Ще анализираме неговите плюсове и минуси, ще разгледаме спецификациите и ще прегледаме рейтингите на популярните модели. Можете също така да запоите свой собствен контролер, като използвате предоставената диаграма и инструкциите стъпка по стъпка.
- Предназначение на реобите
- Принципът на контрол на скоростта
- Обхват на приложение
- Плюсове и минуси
- Видове регулатори
- Характеристики на реобазите, нюанси на избор
- Топ 5 най-добри компютърни реобази
- Noctua NA-FC1
- Akasa FC.SIX AK-FC-08BKV2
- Thermaltake Commander FT
- DEXP CR-6025U
- Акаса AK-FC-06U3BK
- Самостоятелно сглобяване на регулатора
- Правила и схеми за свързване на регулатори
- Правила за използване на регулатора на скоростта
- Отговори на често задавани въпроси
- Видео материали
Предназначение на реобите
Съвременните домакински уреди, електронни устройства, вентилационни системи и друго оборудване са оборудвани с вентилатори за охлаждане на компонентите си. Не винаги е необходимо постоянно въртене на ротора на двигателя с висока скорост.
При минимално натоварване, скоростта на вентилатора е достатъчна за охлаждане, намалявайки консумацията на енергия и удължавайки живота на електродвигателя. Управлява регулирането на скоростта на ротора на двигателя. реоби, инсталирани в електрическата верига.
Принципът на контрол на скоростта
Според принципа си на работа, регулаторът се счита за електрическо устройство, което контролира оборотите на двигателя чрез промяна на честотата или стойността на напрежението на тока.
Вторият тип контролер е често срещан в ежедневието. Реобазите, които променят напрежението, подавано към намотката на електродвигателя, са надеждни и достъпни.
Контролерите с променлива честота са скъпи. Тази висока цена се счита за съществен фактор за ниската популярност на устройствата.
Честотните задвижвания за електрически двигатели могат да бъдат няколко пъти по-скъпи от цената на самия вентилатор.
Обхват на приложение
В компютърните технологии реобазите се използват за управление на вентилатори, които охлаждат процесора и вътрешността на системния блок. Тези устройства са особено популярни в мощни геймърски компютри, където компонентите са подложени на високи температури при големи натоварвания.
Климатиците и другото хладилно оборудване са оборудвани с вентилатори, които издухват въздух над топлообменници. С промяната на режима на климатизация, реобазисната система регулира скоростта на въртене на електродвигателя до оптимално ниво.
Регулаторът е наличен във всички инверторни сплит системи, където вентилаторът постоянно се върти с различна скорост без циклични стартирания и спирания.
В механично захранване и изпускане Контролерът за вентилация контролира работата на каналните вентилатори. Прецизните настройки на скоростта намаляват шума от мрежата и консумацията на енергия и задават оптималния режим за стандартна вентилация на помещението.
Контролерите се използват в детските играчки с мотори. Старите касетофони са били произвеждани с контролер, който е поддържал постоянното въртене на мотора с зададена скорост.
Плюсове и минуси
Когато оборудването е фабрично оборудвано с регулатор, никой не се занимава с плюсовете и минусите на електрическата система. Анализът на предимствата от използването на контролер започва, когато решите да го инсталирате сами.
Списъкът с предимства зависи от приложението на управляващото устройство. Например, във вентилационна система, реобасът помага за задаване на икономичен и комфортен режим на вентилация чрез промяна на скоростта на вентилаторите на каналите.
Общите предимства на използването на контролни устройства включват:
- Спестяване на електроенергия.
- Удължаване на живота на електродвигателя.
- Поддържане на оптимална скорост на двигателя, необходима за осигуряване на работоспособността на другите компоненти на оборудването.
Недостатъците включват допълнителни разходи за монтаж и ограничения в гамата от използвани модели.
Видове регулатори
Типът на контролера се определя от принципа на работа на управляващия блок на електродвигателя. Този параметър определя цената на продукта и неговата област на приложение. Съществуват четири основни типа:
Устройствата за управление на триаци XGE са често срещани в ежедневието. Трансформаторните контролери RGE са скъпи и се използват в промишлеността. на мощни двигатели.


Характеристики на реобазите, нюанси на избор
Производителността на електрическия двигател зависи от характеристиките на свързания контролер. За да изберете подходящия модел, вземете предвид следното:
- Функционалност. Устройствата могат да следят и показват скорост на вентилатора, температура и консумация на енергия. Управлението може да се извършва на една или на всички точки. По-евтините модели нямат сензори за управление.
- Тип управление. Моделите с ръчно управление разполагат с въртящи се дръжки, бутони и сензорни екрани. Тази опция е удобна за двигатели, които не изискват често регулиране на скоростта. Моделите с автоматично управление автоматично регулират скоростта на двигателя въз основа на показанията на сензорите. Тази по-скъпа опция е удобна за двигатели, които изискват често и прецизно регулиране на скоростта.
- Дисплей. Тази опция увеличава цената на устройството, но предоставя полезна информация. Дисплеят предоставя важна информация за потребителя, като например температура и скорост на двигателя.
- Брой температурни сензори. Реобаза с един температурен сензор следи температурата на един работещ компонент. В компютърното оборудване е необходимо наблюдение на множество точки, като например охладителите на процесора и графичния процесор. Реобаза с множество температурни сензори е по-скъпа, но рискът от прегряване на процесора или графичния процесор и липсата на наблюдение ще се увеличи.
- Конектори. За захранване се използват 2-пинови, 3-пинови и 4-пинови конектори. Направете своя избор въз основа на мястото на монтаж на реостата. 4-пинови конектори в момента се използват за процесора. 2-пинови и 3-пинови конектори се използват по-често за охладители, които охлаждат корпуса на системата и твърдите дискове.
Опции като e-SATA конектор на корпуса, четец на карти и USB портове не влияят на работата на rheobas, но предоставят възможност за свързване на допълнителни устройства.
Топ 5 най-добри компютърни реобази
В мощен компютър, реобасът контролира охладителната система. Това електронно устройство регулира скоростта на вентилатора въз основа на промените в натоварването на процесора и други компоненти на компютъра.
Използването на реостат ви позволява да свържете повече вентилатори към вашето игрално устройство, отколкото позволява дънната платка. Топ 5 реостата са базирани на лекота на настройка и надеждност.
Noctua NA-FC1
Контролерът предлага добро съотношение цена/качество. Австрийският производител предоставя 6-годишна официална гаранция. Устройството се монтира външно към компютърна кутия или бюро с помощта на лепяща лента. Скоростта на вентилатора се регулира ръчно чрез завъртане на реостата на кутията.
Плюсове и минуси:
- Възможност за свързване на три вентилатора.
- Лесна инсталация на контролера без необходимост от разглобяване на системния блок на компютъра.
- Плавно управление на скоростта.
- Няма допълнителна функционалност.
- Три охладителя се управляват едновременно без възможност за отделно регулиране.
- Охладители с еднаква мощност трябва да бъдат свързани към реобите.
Популярният реобас изчезва от Yandex Market. Моделът може да се намери в компютърните магазини на цена... 1750 рубли.
Akasa FC.SIX AK-FC-08BKV2
Този шестканален контролер, произведен в Тайван, е предназначен за локално управление на скоростта на шест вентилатора. Всеки канал е оборудван с механично копче за управление и индикаторна светлина. Няма допълнителни опции. Потребителите съобщават за надеждна работа на реостата, но се оплакват от високата цена, въпреки шестмесечната гаранция на производителя.
Предимства и недостатъци:
- Възможност за свързване на 6 охладителя с локално управление на всеки канал.
- Инсталиран е сензор за скорост.
- Възможност за плавно регулиране на двигателя до пълното му спиране.
- Липсва температурен сензор.
- Не се предоставят допълнителни опции.
- Лошо обслужване на клиентите.
Цена на електронно устройство на Yandex Market 5430 рубли.
Thermaltake Commander FT
Контролерът е произведен в Тайван и разполага със сензор за скорост на вентилатора и едноточков контрол на температурата. Може едновременно да свързва до пет охладителя. Сензорните контроли на каналите са разположени на информационния дисплей.
Производителят предоставя едногодишна гаранция. Не са регистрирани повреди по време на гаранционния период. След една година непрекъсната употреба, надеждността на контролера зависи от късмета на потребителя.
Предимства и недостатъци:
- Сензорно управление.
- Наличие на сензори за температура и скорост.
- Независимо управление на 5 канала.
- По време на работа корпусът на контролера се нагрява много.
- Сензорният екран губи яркостта си с течение на времето.
- Не е възможно да се измери температурата на 5 работещи вентилатора едновременно.
Контролерът рядко се появява в продажба напоследък. Средната цена варира. от 3000 до 5000 рубли.
DEXP CR-6025U
Марката е регистрирана в Русия, но регулаторите се произвеждат в китайски завод. Популярността на модела произтича от допълнителните опции.
Вграден e-SATA конектор, четец на карти и два USB порта ви позволяват да свържете допълнителни устройства. Потребителите считат възможността за управление на 2 канала за слаба точка.Reobas е подходящ за начални компютри и офис конфигурации.
Плюсове и минуси:
- Евтин контролер с 1 година гаранция.
- Наличност на допълнителни опции.
- Подробни инструкции на руски език.
- Ръчно управление на ротационни реостати.
- Поддържа 2 канала.
- В комплект с къси Molex кабели.
Въпреки че се произвежда в страната, регулаторът на скоростта не винаги е наличен. Средна цена 1300-2000 рубли.
Акаса AK-FC-06U3BK
Класацията завършва триканален реобас, произведен в Тайван. Този компактен модел е предназначен за монтаж в малки компютърни системи. В допълнение към трите канала с ръчно управление, предният панел разполага с два USB порта за свързване на допълнителни устройства.
Предимства и недостатъци:
- Компактни, лесни за инсталиране реоби.
- Наличност на 3 независими канала за управление на скоростта на вентилатора.
- Евтин контролер с 1 година фабрична гаранция.
- Малък диапазон на плавно регулиране на скоростта.
- Ограничен брой допълнителни опции.
- При продължителна употреба контролерът прегрява.
Rheobass не винаги е наличен в Yandex Market. Средната цена на модела е от 1799 рубли.
Самостоятелно сглобяване на регулатора
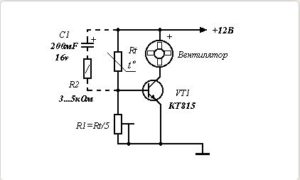
Начинаещ електротехник може по-лесно да сглоби еднофазен регулатор на скоростта на вентилатор. Това изисква разбиране на веригата и умение да се използва поялник. Контролерът работи в тандем с четков двигател.
Въпросната схема не предвижда свързване на асинхронен, безчетков електродвигател. За този проект ще ви трябват радиокомпоненти, поялник с спойка и проводници.
Нека започнем да сглобяваме регулатор на скоростта на вентилатора 220V според диаграмата:
- Проучете електрическата верига на регулатора. Изберете препоръчителните електронни компоненти със съответните маркировки. Ще ви трябват резистори, кондензатори, диоди и други компоненти.

- Електрическата верига е запоена върху печатна платка. Набързо можете да запоите малък брой електронни компоненти заедно, използвайки техните проводими пинове или като добавите парчета тел. В нашия пример запояването се извършва към контактите на диодния възел и променливия резистор. Получената верига се състои от две части, свързани чрез диод.



- Следвайки диаграмата, запоете компонентите към тоководещите крака на променливия резистор и диодния възел. Свържете двата получени електрически компонента заедно с помощта на диод и проводници.


- Свържете електрическия мотор 220V чрез превключвател към двата свободни крака на диодния възел. Точката на свързване е обозначена като "натоварване" на диаграмата. Подайте напрежение към контактите, обозначени с "220V" на диаграмата.

- Не очаквайте двигателят да стартира плавно след подаване на напрежение. Първоначалното стартиране ще бъде съпроводено с потрепване. Проверете функционалността и правилното свързване на регулатора, като завъртите копчето на променливия резистор. С увеличаване на съпротивлението скоростта на ротора намалява. Ще видите визуално намаляването на скоростта и ще го чуете като намаляване на шума.

Ако веригата работи както се очаква и искате да използвате контролера за управление на скоростта на двигателя, скрийте електрическия компонент в диелектричен корпус. Пластмасова кутия или парче PVC тръба ще свърши работа. Изнесете контролната дръжка от променливия резистор навън.
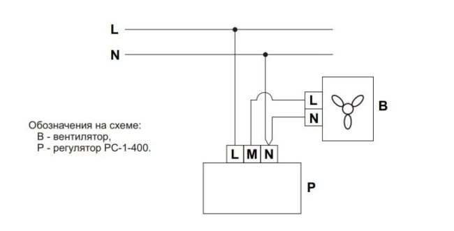
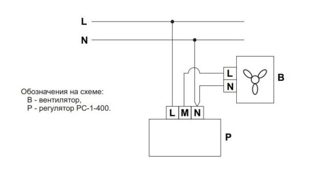
Правила и схеми за свързване на регулатори
Фабрично инсталираният продукт се доставя със схема на свързване на регулатора на скоростта, отпечатана на хартия или начертана върху корпуса. Следвайте препоръките на производителя. Изберете контролера въз основа на номиналното напрежение и мощност, за да съответстват на характеристиките на двигателя.
За управление на охладители в компютри и други домакински уреди, реобазиците обикновено са проектирани за 12 волта. Дизайнът на регулаторните схеми варира в зависимост от наличието на допълнителни сензори, опции и други функции.
За правилно свързване, потребителят трябва да вземе предвид ключовия параметър: разрешения брой свързани вентилатори. Местоположението на всяка точка на натоварване ще бъде посочено на диаграмата от производителя.
За компютърни охладители и малки вентилатори на други устройства, монтирайте реобасите вътре в корпуса. За външни модели ги закрепете с лепяща лента към бюрото или от външната страна на корпуса на устройството.
Ако вентилаторът има собствен бутон за изключване, инсталирайте регулатор на скоростта на негово място. Изключете превключвателя от кабелите и го извадете.
Механичната вентилация на сгради се захранва от вентилатор за канали с напрежение 220 волта. Настройте регулатора на скоростта съответно. Популярни са контролерите за стенен монтаж, вграден и повърхностен монтаж.
Контролерите се доставят с кутия, дюбели и винтове за монтаж. Тези контролери не трябва да се бъркат с димери за регулиране на яркостта на LED осветлението. Тези устройства се различават по предназначение и принцип на работа.
Не всеки 220-волтов контролер е подходящ за управление на скоростта на вентилатор за канали. Вземете предвид натоварването, за което е проектиран контролерът. Напречното сечение на захранващия кабел трябва да съответства на максималния номинален ток на контролера.
За да инсталирате стенен контролер, следвайте тези стъпки:
- Свалете дръжката за управление.
- Развийте гайката, закрепваща външния капак.
- Отстранете външния капак.
- Използвайте отвертка, за да развиете винтовете, закрепващи механизма за управление към монтажната кутия.
- Отстранете регулиращия механизъм.
- Поставете кабела в техническите отвори на монтажната кутия и го закрепете към стената с помощта на винтове и дюбели.

След като закрепите разклонителната кутия, оголете краищата на кабелните проводници. Свържете проводниците към клемния блок на платката на контролера. Следвайте схемата на свързване, показана на стикера на производителя.

След свързване на кабела, инсталирайте управляващия блок вътре в разклонителната кутия и го закрепете с винтове. След монтажа, клемният блок трябва да е отгоре. Плъзгачът на потенциометъра, оформен като винт Phillips, ще бъде разположен отдолу.

Вземете кръстата отвертка и започнете да регулирате минималната скорост за нормална работа на вентилатора:
- Временно поставете контролния бутон на контролера. Завъртете го докрай наляво, но не го изваждайте с щракване.
- Включете предпазителя в електрическото табло и подайте напрежение.
- С помощта на кръстата отвертка бавно завъртете копчето на потенциометъра. Спрете, след като скоростта на вентилатора достигне минимум.
- Завъртете копчето за управление наляво, за да изключите контролера напълно.
- Когато перките на вентилатора спрат да се въртят, проверете работата на контролера. Завъртете копчето за управление надясно. След щракване, вентилаторът ще започне да се върти на ниска скорост. Скоростта ще се увеличава с всяко завъртане на копчето за управление по посока на часовниковата стрелка.
След като проверите работата на контролера, изключете вентилатора и изключете захранването. Отстранете временно монтираната дръжка за управление. Поставете обратно външния капак и затегнете задържащата гайка. Монтирайте дръжката, за да управлявате контролера, свързан към вентилатора.
Правила за използване на регулатора на скоростта
След инсталиране на 220-волтовия регулатор на скоростта, използвайте потенциометъра, за да настроите точно минималната скорост. Неправилните настройки ще доведат до повреда на електродвигателя.
Работните характеристики зависят от вида на регулатора на скоростта на вентилатора. При механичен регулатор завъртате дръжката. Завъртането ѝ надясно увеличава скоростта, а завъртането ѝ наляво я намалява. Параметрите могат да се задават с помощта на механични бутони или на сензорния екран.
Електронната версия е с автоматично управление на двигателя. Сензорно оборудвано устройство автоматично регулира скоростта на ротора без човешка намеса.
Отговори на често задавани въпроси
Контролерът е отговорен за регулирането на скоростта.
Устройството се нарича реобаза или контролер.
Реобасът се избира въз основа на мощността и работното напрежение на електродвигателя. Вземат се предвид и допълнителни опции, като ръчно или автоматично управление.
Устройството е предназначено да задава необходимата скорост на електродвигател чрез промяна на напрежението или честотата на тока, подаван към намотката.
Можете да намалите скоростта, като свържете 400-волтов кондензатор последователно със захранването. Регулирайте капацитета (микрофаради), за да постигнете желаните обороти. По-надежден резултат ще се постигне чрез инсталиране на реостат.
Видео материали

















