Огъвачка на тръби е устройство за огъване на тръби или други метални изделия (пръти, стелажи, валцовани тръби и др.). Класифицира се по принцип на действие и може да бъде механично, хидравлично или електрическо.
Когато строите оранжерии и навеси в дачата си, не можете без този инструмент. Купуването му е скъпо, така че днес ще ви разкажем как да направите различни видове огъващи машини за кръгли тръби у дома.
Но ако се налага често да огъвате тръби, е по-добре да закупите специално оборудване.
- Видове машини за огъване на тръби
- Необходими инструменти
- Изработваме електромеханичен огъвач на тръби
- Ръчен лостов огъвач на тръби
- Хидравличен огъвач на тръби Jack
- Дървен огъвач на тръби
- Правим го от метална тръба и гайка
- Огъвач на тръби, изработен от метални куки
- Технология на огъване: как да се избегнат дефекти
- Видеоклипове и рисунки
Видове машини за огъване на тръби
Тези устройства позволяват огъване на профилни или кръгли тръбни материали под желания ъгъл. Те се разделят на:
- хидравличен;
- механичен;
- ръководство.
Първият тип се справя с огъването на големи размери, механичните модели се използват за средни по размер, а ръчните се считат за идеалния вариант за огъване на кръгли тръби с диаметър до 3 см или профилни тръби до 4 см.
Въз основа на техните конструктивни характеристики, функционалност и принцип на действие, те се разделят на:
- арбалет;
- сегментен;
- пролет.

Хидравличните огъващи машини за кръгли тръби или електрически задвижвани механизми са по-трудни за самостоятелно производство.
Невъзможно е да се направи огъване без използване на машина за огъване на тръби, можете просто да съсипете продукта или да го деформирате.
Представяме на вашето внимание инструкции стъпка по стъпка, Как да огънете метал без машина за огъване у дома.
Технологията на работа на всеки огъвач на тръби се крие във възможността за правилно огъване на продукта до необходимия радиус.
Ако не обърнете специално внимание на качеството на резултата при огъване, тогава домашно приготвените дизайни ще се справят с тази задача 100%.
Необходими инструменти
Трябва да започнете с подготовката на инструментите, необходими за работата.
- заваръчна машина;
- струг - ако ще стругате частите сами, а не прибягвате до помощта на професионален стругар (въпреки че има видове, които не изискват стругова работа при производството си);
- менгеме и чук;
- метален трион;
- владетел;
- бормашина;
- Българин.
Това е основният набор от инструменти, който е необходим при изработката на всеки модел със собствените си ръце; може да са необходими други инструменти при сглобяването на определен тип.
Изработваме електромеханичен огъвач на тръби
Решихме да ви разкажем как да си направите електромеханична огъвачка за тръби. Това оборудване може да се справи с всякакъв размер работа, без да изисква никакви физически усилия.
За справка, представяме две версии на инструкции как сами да си изградите огъвач за кръгли тръби. Ако имате въпроси след прочитане на текстовото ръководство, препоръчваме ви да гледате и видео материалите.
Устройството се състои от три работни органа — една притискаща ролка и две опорни ролки, поради което се нарича още триролкова валцова машина. Това е една от най-сложните огъващи машини, които можете да сглобите сами, но решихме да започнем с нея. Ако можем да я сглобим, тогава направата на по-прости видове огъващи машини за тръби няма да е трудна.
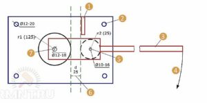
И така, ще направим устройството от: 204 лагера, стабилизираща щанга от автомобил VAZ, гайки, шпилки, тръбни резници (20 на 40 с дебелина 2 мм, 15 на 15 на 1,5 мм; 80 - 80 - 5 мм), метален лист с дебелина 3 мм.
За да сглобим електрическата машина за огъване, използвахме следните чертежи.






Да се захващаме за работа. Подробните инструкции стъпка по стъпка са следните:
- Подготвяме рамката - за това ще ни трябват две парчета армировка или профил с еднакъв размер, на горната стена на които правим 4 отвора за нашите шпилки.

- Изрязваме две странични стени на конструкцията от ламарина, пробиваме в тях отвори за закрепването им към рамката и монтирането на ролките, както и голям отвор за подвижната ролка. Отворите трябва да се пробият и в двете заготовки едновременно, така че да се подравнят.

- Взимаме стабилизатор от Лада и го обработваме, за да пасне на 19-милиметров вложъчен ключ. Това ще позволи валът да се завърта с отвертка. На него ще бъде монтиран 20-милиметров лагер.


- Започваме да изработваме затягащ механизъм от винт и парче стоманен канал, чийто размер трябва да е малко по-малък от разстоянието между страничните стени на конструкцията, така че детайлът да се движи свободно в него.
Правим отвор в канала с размерите на винта и заваряваме в него гайка. След това завинтваме винта и го закрепваме с гайка отдолу. Пробиваме отвор в горната част на винта и вкарваме щифт в него, който ще служи като дръжка.


- Поставяме два лагера върху вала и ги закрепваме с шайби. Детайлът се монтира върху канал, в който предварително сме пробили отвори за затягащия винт и странични отвори за монтаж.

Нека започнем със сглобяването на устройството:
- вмъкваме шпилките в отворите на едната странична стена и ги закрепваме с гайки;
- Средните шпилки са нашите входни и изходни ролки, те са сглобени, размерът зависи от комплекта лагери за различни задачи;

- Поставяме шайби на долните шпилки и след това монтираме две заготовки от профила, които ще служат като основа на нашата машина;

- Поставяме притискащия вал в средата на конструкцията, като натискаме винта в отвора; той трябва да бъде разположен точно в центъра между ролките и между винта и бузите монтираме уплътнения, изработени от метална плоча;

- Завинтваме затягащия винт към канала на вала с гайка;

- Покриваме конструкцията с втората страна и затягаме гайките.

Ако заварите дръжка към вала, ще получите механично устройство, което ще работи от вашите усилия.
Машината е готова; остава само да прикрепите главата към заострената страна на вала и след това да използвате отвертка, за да задействате устройството. Това е универсална машина за огъване на пръстени; можете да я използвате за огъване не само на кръгли тръби, но и на профилни тръби; просто трябва да смените приставките на ролките.
Ръчен лостов огъвач на тръби
Ако не ви е необходимо толкова сложно устройство и просто трябва да огънете малка кръгла стоманена тръба, можете да изградите прост лостов механизъм. Той е предназначен за огъване на тънкостенни тръби.
Решихме също да опитаме сами да си направим този огъвач на тръби. Ще ни трябват: кръгъл вал, притискаща ролка, 8 мм ламарина за рамката, шпилки и гайки.
Въпреки че някой би могъл да направи това устройство на око, е по-добре да се подготви чертеж на огъвача на тръби или да се намери подходящ вариант онлайн. Решихме да работим по чертежа.


Нека започнем да правим:
- Изработваме заготовки за вилката. Размерът на вилката зависи от разстоянието между колелата или по-точно от леглото на тръбата; той трябва да е равен на диаметъра на тръбата плюс 1–2 мм. Изрязваме ги от ламарина и ги шлайфаме:
- рамка и капак на вала;
- ограничител за рамката и малка стойка за капака;
- две правоъгълни плочи, по краищата на които правим отвори за шиповете.

- Правим дупки в капака и рамката, за да закрепим вала.


- Закрепваме ограничителя в менгеме, заваряваме рамка към средата му и стойка за капака отгоре и шлайфаме шевовете.

- Провлачваме щифта през отвора в рамката, плъзгаме вала и го покриваме с метална капачка. Затегнете гайките от двете страни.

- Прикрепяме капака към стойката с болтове.

- Завинтваме две правоъгълни заготовки върху гайките от двете страни.

- Отгоре, между тези плочи, поставяме ролка, която закрепваме с шпилка и гайки.

- Заваряваме две вилкови плочи, като между тях поставяме заготовка за канал.

- Завинтваме дръжка от парче метален профил.

Е, лостовият огъвач на тръби е готов. Оказва се, че почти всеки домашен майстор може да го направи сам.
Хидравличен огъвач на тръби Jack
Друг огъвач на тръби, който се опитахме да направим сами, беше тип крик. Както подсказва името, основното изискване за сглобяването му е наличието на крик.
Няма нужда да купувате нов механизъм; ще свърши работа стар, употребяван, какъвто много хора имат в гаража си или може да се купи за безценица на пазара. Ще ни трябват още: канал 20 x 40, длето, ъгълник, шпилка, винт 45 мм и кръгла греда.
Принципът на действие на такъв дизайн е, че платформата, която задава ъгъла на огъване, се задвижва от крик.
Нека започнем да сглобяваме механизма:
- Почистваме и боядисваме крика с пясъкоструене.
- Нарязваме каналите на необходимите дължини, въз основа на размера на крика.
- Свързваме детайлите със заваръчни магнити - това ще улесни процеса на съединяване и заваряване на елементите.
- Заваряваме каналните секции заедно с помощта на заваръчна машина и почистваме шевовете. Нашата рамка е готова.
- Сега преминаваме към изработката на опорната помпа, която ще направим от фреза. За целта затягаме фрезата в менгеме, правим отвор в края с шлифовъчна машина и нарязваме резба.
- Пробиваме още един отвор на повърхността на резачката, той е необходим за закрепване на крика към кръглата греда.

- Изрязваме детайла и го шлайфаме.

- Изрязваме малка лента от ъгъла и правим дупки по краищата.

- Затягаме детайла в менгеме и използваме чук, за да го огънем. Резултатът е нещо като подкова.

- Подготвяме допълнителни елементи - изрязваме заготовки от половин инчова тръба и шпилка.

- Правим кръгъл крик от 45-милиметров винт, който намерихме на металообработваща площадка. Това е доста сложна част, така че ще признаем, че я поръчахме от струг.

- Правим отвори в долната част на рамката, както и за закрепване на кръглата дървен материал, и укрепваме конструкцията, като заваряваме гайки към отворите.
- В нашата машина горният ограничител е държач за матрица, чийто вътрешен диаметър съответства на размера на крика и има резбовани странични отвори.
- Грундираме и боядисваме готовата конструкция.
- Вмъкваме подготвените шпилки в отворите в долната част и ги закрепваме с гайки; те ще служат като ролки.

- В горния отвор на конструкцията вмъкваме щифт, върху който монтираме кръгъл труп.

- Завинтваме част, направена от резачка, към крика.

- Фиксираме крика вътре в конструкцията, като го завинтваме към кръгъл труп.

Сега нашият огъвач на тръби е готов за тестване. Инструкции за употреба:
- Взимаме двуинчова тръба с кръгло напречно сечение и я поставяме върху ролки;
- След това го фиксираме със скоба;
- Чрез работа с дръжката на крика, тръбата се огъва.

Дървен огъвач на тръби
Накрая бихме искали да ви покажем инструмент за огъване на дървени тръби, който сами си направихме. Той е един от най-простите и леки инструменти, но е напълно способен да огъне малка тръба.
Взехме няколко гъсто текстурирани дъски и ги заковахме заедно. С помощта на обикновен трион изрязахме полукръгло парче с желания диаметър от получената дървена плоча.
Дебелината на дървото трябва да е по-голяма от диаметъра на тръбата, в противен случай може да се изплъзне при огъване.
Заготовката трябва да бъде закрепена към здрава основа. За целта използвахме маса, но можете да я завинтите към стената. Към основата беше прикрепен и дървен блок, който да служи като допълнителна опора.
Това устройство работи чрез поставяне на тръба в вдлъбнатината между дървена заготовка и блок. Тръбата трябва да се побира свободно в отвора. С леки движения натиснете върху навития тръбен материал, като го огъвате до необходимия радиус по дължина на дървената заготовка.

Това дървено устройство ефективно огъва алуминиеви и стоманени компоненти, като същевременно изисква минимални производствени разходи.
Правим го от метална тръба и гайка
Този тип устройство за огъване се счита за най-основното. Изработено е от парче твърда кръгла тръба (метален прът) с гайка, прикрепена към основата.

- Изберете гайка, така че размерът на вътрешната ѝ резба да е поне с 30% по-голям от диаметъра на огънатата проба;
- Самата дръжка не трябва да се деформира под натиск. Препоръчва се стоманен прът.
Този инструмент е много лесен за употреба. Един човек може да го огъне без помощ. Въпреки простия си дизайн, той може да обработва тръби с диаметър до 3 см.
За да завършите процедурата, ще трябва да изпълните следните стъпки:
- Изработваме шаблон на бъдещия завой от тел;
- Взимаме измервания от шаблона и ги прехвърляме върху тръбата;
- Тръбата е монтирана на равен под с твърдо покритие;
- Тръбата се вкарва в гайката на огъвача на тръбата, като посоката ѝ съответства на измерванията на тръбата;
- С крак натиснете здраво тръбата на пода и огънете другия край, като бавно издърпате дръжката на огъвача към себе си. Това ви позволява да я огънете на 10°.
- Чрез преместване на тръбата през отвора в гайката, процедурата се повтаря няколко пъти, докато завоят най-накрая приеме желаната форма.
Огъвач на тръби, изработен от метални куки

- купете куки, изработени от висококачествен метал, във всеки магазин за железария;
- Прикрепяме ги към стабилна основа със стъпка не повече от 5 см. Разстоянието на една кука от друга обаче ще зависи от размера на продукта, който трябва да се огъне;
- в резултат на това получаваме полукръгъл шаблон;
- Допълнителна опора е прикрепена към едната страна на устройството.
Процесът на огъване ще бъде подобен на работата с дървен шаблон, но в този случай няма нужда да се прави нов шаблон за различен диаметър; достатъчно е просто да се премести разстоянието между куките.
Технология на огъване: как да се избегнат дефекти
Ключовото технологично правило при огъване на тръбен продукт на тръбоогъваща машина е последователността от действия, независимо от размера на тръбата.
Процесът включва поетапно огъване, като радиусът на ъглите се намалява с всяко навиване. Важно е да не бързате и да избягвате рязко огъване. Тази технология значително намалява натоварването върху работните оси и предпазва тръбата от потенциална деформация.
Основната причина за дефектите е неспазването на производствените процедури. Неправилно изчислен радиус на огъване или твърде малка „опашка“ – разстоянието от началото на огъването до края на тръбата.
Ако не спазвате тези правила, няма да можете да избегнете дефекти по продукта, като например:
- В най-тясната част има разтягане или вълна, което може да доведе до теч. Това е особено важно за ВиК работи, но при изграждането на оранжерия в страната този дефект е по-малко тревожен.
- Ефектът на „витло“ кара тръбата да се завърта около оста си. Тази част вече не може да се използва.
- "Кофка" - получава се леко сплескване; този дефект възниква при огъване на тънки, меки тръби.
- Ако се предлагат шевни тръби за огъване, които се използват по време на монтажа на тръбопровода, тогава шевът трябва да бъде поставен по посока на огъването;
- При огъване на големи диаметри се препоръчва да се работи с партньор;
- По време на процеса използвайте предпазни средства и не забравяйте да спазвате правилата за безопасност.
За да обобщим цялата горепосочена информация, може да се каже едно нещо: изграждането на огъваща машина за тръби самостоятелно е изпълнима задача. И може да се осъществи с минимално време и пари.
Тази статия предоставя стъпка по стъпка ръководство за създаване на тръбоогъващи машини с различна сложност за работа с кръгли тръби. В нея са описани и материалите, необходими за създаването на тези „направи си сам“ конструкции с минимални финансови разходи.
Изборът на конкретен модел зависи пряко от размера на детайла и наличието на необходимите инструменти за създаване на определен дизайн. Предоставените снимки и видеоклипове ще ви помогнат да разберете всички нюанси на тази тема и да създадете всичко сами!
В заключение, всеки инструмент за огъване на тръби може да се направи у дома, стига да имате желание. Следователно, за домашна употреба няма смисъл да харчите пари за скъпа индустриална машина. Тя може да се сглоби от части, които имате в гаража си, или лесно да се намерят на пункт за скрап.
Надяваме се, че ще намерите нашата статия полезна и че ще направите един от моделите огъващи тръби за свои собствени цели.


















