Инсталирането на вентилатор за канали във вентилационната система решава проблема спестявания от отопление и климатизацияВ къщата микроклиматът се подобряваВероятността от образуване е намалена гъбички и мухълКаналният вентилатор се свързва към мрежа с постоянен ток 12 и 24 волта или към мрежа с променлив ток 220 и 380 волта чрез управляващия блок.
В тази статия ще разгледаме подробно предназначението и видовете охладители с канали. Ще обсъдим и удобните места за монтаж. Ще се задълбочим и в схемите за свързване. Ще завършим с отговори на често задавани въпроси.
- Предназначение и видове вентилатори за канали
- Инструменти и материали за монтаж на охладител
- Избор на място за инсталиране на охладителя
- Схема на свързване на вентилатора във вентилационната мрежа
- Схема на свързване на превключвателя за осветление
- Схема на свързване чрез отделен превключвател
- Схема на свързване с таймер
- Схема на свързване със сензори
- Инструкции за монтаж на вентилатор в квадратен канал
- Инструкции за монтаж на вентилатор в кръгъл въздуховод
- Свързване на оборудване към електрическата мрежа
- Проверка на функционалността на охладителя
- Характеристики на инсталиране на двускоростен вентилатор с кондензатор
- Отговори на актуални въпроси
- Видео материали
Предназначение и видове вентилатори за канали
В механична вентилационна система, вентилаторът за канали е отговорен за принудителното преместване на въздуха през каналите. Оборудването е електрически захранвано и се състои от корпус, двигател и работно колело с лопатки.
Според предназначението си, вентилаторите за канали обикновено се разделят на 3 вида:
- Изпускателна система Каналното оборудване е предназначено за отвеждане на отработения въздух от помещението към улицата.
- Доставка Каналните устройства изпомпват свеж въздух от улицата в стаята.
- Обратимо Каналното оборудване работи последователно за подаване и изпускане на въздух. Охладителите са оборудвани с универсално работно колело, чиито лопатки движат въздуха напред-назад в канала, когато автоматичната система превключва посоката на въртене на ротора на двигателя.
За да се опрости монтажът на вентилатори за канали във въздуховоди, производителите са разработили модели с корпус със съответно напречно сечение. Въз основа на дизайна си оборудването се разделя на три вида:
- Кръглите модели са предназначени за монтаж в цилиндрични канали. Тези устройства са удобни за свързване към гофрирани тръби.
- Правоъгълните модели са предназначени за свързване към правоъгълни въздуховоди. Тази вентилационна система е идеална за жилищни сгради, където въздуховодната мрежа трябва да бъде скрита под окачени тавани и други покрития.
- Моделите с квадратно сечение са предназначени за свързване към вентилационни канали с квадратна форма. Това обемисто оборудване рядко се използва в жилищни сгради. Тази вентилационна система е подходяща за промишлени и селскостопански приложения. Квадратните канали понякога се срещат в мазета и тавани на по-стари жилищни сгради.
Теоретично е възможно да се свърже вентилатор за канал към канал с различно напречно сечение с помощта на адаптер. На практика оборудването се подбира внимателно, за да съответства на формата и размера на вентилационния канал.
Съвпадението на параметрите на охладителя и въздуховода е необходимо за естетика, постигане на показатели за производителност и опростяване на монтажа.
Според дизайна си, има 4 групи канални вентилатори:
- Аксиалните модели са изработени от цилиндърДвигателят е разположен вътре в корпуса. Работното колело, монтирано на ротора, се върти около централната ос. Оборудването се характеризира с тиха работа, с нива на шум под 50 dB. Работното налягане е ограничено до 700 Pa.
Аксиалните охладители са популярни за домашна вентилация. По-големите модели се свързват към въздуховоди с помощта на гофрирани маркучи, закрепени със скоби. Рамката на устройството е закрепена към стена, таван или друга здрава повърхност.
Предлагат се модели с фланцово присъединяване. Компактният аксиален вентилатор се вкарва в кръгъл канал на ръба или между съединението на две тръби.

- Радиалните модели се отличават със спираловиден корпус. Вентилационният канал е свързан чрез болтов фланец. Работните компоненти са разположени върху рамка, която изисква закрепване към носеща основа. Валът на ротора с работното колело е поставен в спираловидния корпус. Въртящите се лопатки не движат въздуха по оста.
Потокът се насочва радиално към периферията на работното колело и се отблъсква от центробежна сила. Моделите с обърнати назад лопатки на работното колело се характеризират с по-ниски нива на шум, консумация на енергия и изходна мощност.
Вентилаторите с лопатки на работното колело, насочени напред, предлагат по-висока производителност. Каналните вентилатори се разделят на три вида въз основа на работното налягане: ниско – до 1000 Pa, средно – до 3000 Pa и високо – до 12000 Pa.

- Диагоналните модели са комбинация от радиални и аксиални охладители. Въздушният поток в корпуса започва аксиално и след това преминава в радиален.
Работното налягане се генерира в камера с въртящи се лопатки на работното колело, където въздухът циркулира. Каналните диагонални вентилатори работят тихо и предлагат висока производителност, но рядко се използват в битови приложения. Монтажът на тези устройства е особено подходящ за промишлени вентилационни системи.

- Каналните диаметрални вентилатори се наричат тангенциални вентилатори. Работното колело е барабанно. Входът на корпуса е снабден с тръба за свързване към системата. На изхода е предвиден дифузьор.
Двойното преминаване на въздух през работното колело увеличава ефективността на охладителя, но за сметка на налягането и мощността. Не е обичайна практика да се инсталира диаметрално противоположно оборудване във вентилационните системи. Тези устройства се използват в отоплители, въздушни завеси и друго оборудване за климатичен контрол.

Центробежните охладители често се считат за пети вид канални охладители, но принципът им на действие ги поставя в радиалната група. Генерира се въздушен поток и впоследствие налягането се увеличава от центробежни сили, генерирани от въртящи се лопатки по определена траектория.
Центробежните вентилатори са компактни и тихи, идеални за свързване към вентилационни канали за дома. Свързването към каналите се осъществява с помощта на гофрирана тръба и скоба на изхода.
Инструменти и материали за монтаж на охладител
Монтирането на вентилатор за канали започва с подготовка на материалите. Първата стъпка е да изберете вентилатор за канали въз основа на неговия капацитет. Изчислете по формулата L = S × h × k. Заменете следните стойности с буквите:
- S – площ на помещението (м²)2);
- h – височина от пода до тавана;
- k – таблична стойност на скоростта на обмен на въздух.
Според санитарните норми, стойността на k се определя за всяка стая, като се взема предвид нейното предназначение.

Изберете вентилатор с размер и форма на дюзата, съответстващи на напречното сечение на въздуховодите, за лесно свързване към вентилационната система. Списъкът с допълнителни материали зависи от вида на монтираното оборудване. Може да ви трябват фланцови болтове или скоби за тръби, уплътнител за вентилационни канали, фитинги за гофрирани тръби или канали и анкери.
Домашните охладители работят на 12 и 24 волта постоянен ток. Промишленото и комуналното оборудване изисква захранване от 380 или 220 волта. В апартаментите и частните домове домакинските модели са по-често срещани.
Свързването на устройствата към електрическата мрежа изисква окабеляване. Най-добре е кабелите от всички вентилатори да се прокарат към електрически панел с прекъсвачи или електронен контролен блок. Конфигурацията на панела зависи от избраната система за управление на вентилацията – ръчна или автоматична.
Ще са необходими следните инструменти:
- Електрическа бормашина с комплект свредла.
- Комплект ключове.
- Отвертка с прав и оформен връх.
- Клещи.
- Българин.
- Тестер за непрекъснатост на проводниците.
- Индикаторна отвертка за определяне на фазата.
- Изолационна лента.
- Клещи за оголване на изолацията на проводници и кримпване на клеми.
- Ролетка, молив или маркер.
Можете да добавяте или намалявате списъка с инструменти в зависимост от спецификата на работата.

Избор на място за инсталиране на охладителя
Изберете място за монтаж на вентилатора на канала, което е достъпно за поддръжка. Ако планирате да скриете оборудването под покритието, осигурете люкове за достъп.
Монтирайте вентилатори за обща употреба на входа и изхода на вентилационната система. Използвайте тавана, балкона или сервизното помещение за монтаж.
Поставете точкови устройства във въздуховодите, които преминават през помещенията. Каналните вентилатори за отвеждане на въздуха трябва да бъдат разположени под тавана в кухнята и банята. Поставете климатични агрегати в жилищните помещения – спални, дневни и коридори.

Схема на свързване на вентилатора във вентилационната мрежа
Схемата за електрическо свързване на електрическото оборудване се определя въз основа на схематичното разположение на вентилационните агрегати. Точковите охладители често се комбинират с домашно осветление. Вентилаторът в основната част на къщата работи независимо и може да се управлява ръчно от електрическото табло.
Схема на свързване на превключвателя за осветление
Схемата на свързване на охладител за отработени газове с ниска мощност е от значение баня, тоалетна И кухняСвържете кабелите от аспиратора успоредно на крушката. Когато влезете в стаята и включите осветлението, абсорбаторът също ще се включи. Вентилацията ще спре веднага след изключване на осветлението.

Предимството на веригата е лекотата на инсталиране и липсата на необходимост от инсталиране на щит.
Недостатък: абсорбаторът работи само когато лампата свети.
Схема на свързване чрез отделен превключвател
За да осигурите, че вентилацията работи независимо от осветлението в помещението, свържете оборудването към отделен превключвател. Неудобно е да управлявате вентилатор за домашен въздух от контролния панел, когато абсорбаторът е предназначен да работи само за кратко, докато в помещението има хора.
Решението е да се монтира двубутонен превключвател на входа на стаята. Единият бутон управлява осветлението, другият - вентилацията.

На диаграмата, прокарайте нулевия проводник директно към крушката и вентилационното оборудване. Свържете фазовия проводник към общия терминал, обикновено разположен в долната част на превключвателя. От съответните терминали на всеки ключ, обикновено разположени в горната част, прокарайте фазовите проводници към охладителя на канала и крушката.
Предимството на схемата е възможността за управление на работата на абсорбатора, независимо от осветлението.
Недостатъкът е невъзможността за свързване на мощно общо оборудване. Превключвателят за осветление не е проектиран за големи натоварвания.
Схема на свързване с таймер
Таймерът помага за автоматизиране на работата на домашен охладител за вода с канал. Използвайте превключвател с един ключ във веригата, като единият контролира осветлението и вентилацията. Свържете крушката и охладителя за вода паралелно към захранването. Използвайте превключвателя, за да прекъснете веригата на фазата.
Прокарайте третия зелен проводник към земята и го свържете към съответно маркирания терминал на вентилационния модул. Свържете допълнителния клон от фазата към захранването на таймера. На охладителя този терминал е маркиран с "LT".

Когато включите осветлението в стаята, вентилацията също ще започне. След като осветлението изгасне, въздуховодният охладител ще продължи да работи за времето, зададено от таймера.
Предимството на тази система е подобрената отвеждаща вентилация. Вентилацията ще продължи да отстранява мръсния въздух и влагата, след като хората напуснат помещението и осветлението бъде изключено. След предварително зададен период от време, въздуховодният охладител ще спре, спестявайки енергия.
Недостатъкът на схемата е, че работата на вентилацията зависи от осветлението.
Схема на свързване със сензори
Сензорите за качество на въздуха и влажност помагат за автоматизиране на вентилацията. При проста конфигурация, инсталирайте контролерите последователно с охладителя, като прекъснете веригата. Не прокарвайте захранването през превключвателя; вместо това, прокарайте кабела към панел с прекъсвачи.

За обща вентилационна система на сграда с автоматизирано управление, свържете сензорите към електронния блок. Схемата за свързване е предоставена от производителя на оборудването. Поставете управляващите блокове в електрическото табло.

Предимството на схемата е автономната работа на вентилацията с климатичен контрол.
Недостатъкът е високата цена и сложността на свързване на оборудването.
Инструкции за монтаж на вентилатор в квадратен канал
Свържете вентилационния агрегат към правоъгълни въздуховоди, използвайки фланци или адаптери. Изборът на технология зависи от вида на инсталираното оборудване.
- Ако напречните сечения на вентилатора и канала са еднакви, използвайте фланцова връзка. Поставете гъвкави уплътнения между съединенията и нанесете уплътнител. Затегнете фланците с болтове през подравнени отвори. Затегнете съседните гайки на кръст, за да осигурите равномерно затягане.

- Свържете кръгъл вентилационен агрегат към квадратен въздуховод, като използвате профилиран адаптер. Дължината на адаптера трябва да е половината от дължината на охладителя.

Входният отвор на адаптера трябва да съответства на диаметъра на работното колело на охладителя. Производителите на вентилационно оборудване посочват този размер в дециметри.
Инструкции за монтаж на вентилатор в кръгъл въздуховод
По-лесно е да се монтира кръгъл охладител във въздуховод с подходящо напречно сечение. Изберете метода на монтаж в зависимост от вида на използваното оборудване:
- При болтови съединения, връзките на охладителя и въздуховода трябва да бъдат оборудвани с фланци с подравнени отвори. Затегнете частите с болтове и гайки на кръст, за да предотвратите деформация. За да уплътните съединението, поставете еластично уплътнение между фланците.

- Когато корпусът на вентилационния агрегат е голям и напречното сечение на въздуховода съответства на диаметъра на твърдия въздуховод, използвайте скоба за свързване. Закрепете основата на агрегата с анкери към стената, тавана или друга носеща конструкция. Прикрепете тръбата към вентилационния въздуховод. Използвайте уплътнител за уплътняване на фугите. Закрепете връзките със скоби и болтове.

- Ако вентилационното оборудване трябва да се монтира с изместване от тръбопровода или диаметрите на тръбите не съвпадат, помислете за скобно свързване с помощта на гофрирана втулка. Закрепете основата на устройството към носещата конструкция с анкери.
Монтирайте подвижния корпус на двигателя с работно колело върху рамката с адаптерните тръби и го закрепете със скоби. Свържете захранващия кабел или го направете по-късно. Свържете гофрираните тръбни секции към тръбите и ги закрепете със скоби.
Прикрепете другите краища на гофрираната тръба към цилиндричните въздуховоди. Закрепете връзките със скоби по същия начин. Нанесете уплътнител върху съединенията, за да осигурите плътно уплътнение.

- Монтирайте вградения охладител, като потопите корпуса му във въздуховода. Прикрепете тръбите от двете страни към точката на монтаж на вентилатора. На диаграмата устройството ще бъде разположено на кръстовището на двата канала. Ако е необходимо да създадете правоъгълен вентилационен клон от цилиндричния въздуховод, съдържащ охладителя, първо прикрепете профилиран адаптер с подходящо напречно сечение към точката на монтаж на корпуса.
Квадратното вентилационно оборудване рядко се използва в битовата вентилация, но си струва да се обмисли свързването му към кръгъл канал. За монтаж използвайте фитинги с плавен преход от квадратен към цилиндричен. Дължината на адаптера трябва да е равна или по-голяма от ½ дължината на вентилатора.

Има ситуации, в които цилиндричният въздуховод и изходът на охладителя не съвпадат по диаметър. За свързване използвайте конусообразен адаптер. Ъгълът на отваряне на конуса е 8-10°.О.

Свързване на оборудване към електрическата мрежа
След като инсталацията приключи, свържете вентилатора към захранването съгласно схемата на производителя. Определете към кой проводник да го свържете въз основа на маркировките на клемите в клемната кутия на устройството:
- L – фаза;
- N – нула;
- LT – фаза на захранване на таймера;
- PE или символ с форма на рибена кост, направен от ленти с различна дължина – заземяване.
Когато свързвате окабеляването, изключете захранването на домашната мрежа, като изключите прекъсвачите в електрическия панел.
Монтирайте захранващия кабел до мястото за монтаж на оборудването по време на грубата фаза на ремонта на помещението. Използвайте кабелни канали, за да може изгорял кабел да бъде сменен в бъдеще, без да се пробива в стената или тавана.

Ако инсталирате вентилация в завършено помещение, опитайте да прокарате кабела в гофрирана тръба през изрязаните технически отвори в окачения таван. След като инсталирате кабела, скрийте перфорациите с шпакловка или друг материал.
Ако не можете да прокарате кабели под обшивката на окачения таван, временно ги инсталирайте в кабелен канал близо до таванната корниза. Можете да ги скриете под обшивката по-късно, когато планирате нов ремонт.
Проверка на функционалността на охладителя
След като включите захранването, проверете функционалността на оборудването. Правилно свързан, автоматично функциониращ охладител винаги е в режим на готовност, както е показано от индикаторната светлина на корпуса.
Съгласно инструкциите на производителя, регулирайте чувствителността на сензора за присъствие и качество на въздуха.
Ако включите вентилацията ръчно с помощта на обикновения превключвател, натискането му ще завърти ротора и лопатките. Уверете се, че работното колело движи въздушния поток в правилната посока. Натиснете превключвателя отново, за да изключите захранването. Роторът на двигателя ще спре да се върти.
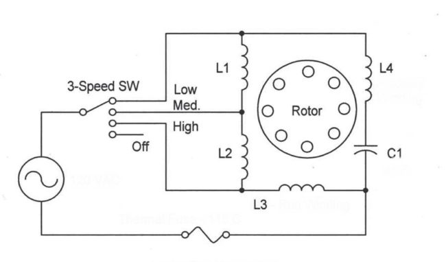
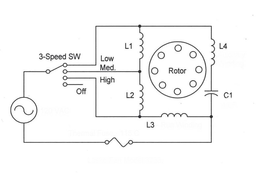
Характеристики на инсталиране на двускоростен вентилатор с кондензатор
За многоскоростен вентилатор, инсталирайте отделен превключвател с подходящ брой позиции. Например, разгледайте схемата на свързване за двускоростен канален вентилатор.
Свържете заземяващия (PE) и нулевия (N) проводник към съответно маркираните клеми без прекъсване. Свържете двата фазови проводника, La и Lb, към клемата на всеки превключвател. Скоростите се превключват последователно. Едновременното подаване на фазов ток към клемите La и Lb ще изгори намотката на двигателя.
Свържете тристепенен охладител по същия начин. Свържете фазов проводник към всеки фазов извод на превключвателя.

Свържете вентилатор за канал с кондензатор съгласно схемите, обсъдени по-горе. В корпуса на оборудването от производителя е вграден компонент със специфичен капацитет за съхранение. Кондензаторът е свързан към пусковите или работните намотки.
Понякога се използва комбинирана връзка. За обикновения потребител местоположението на кондензатора и към кои намотки е свързан са без значение. Просто прокарайте проводниците през превключвателя към фазните и неутралните клеми в клемната кутия.

Отговори на актуални въпроси
Инсталирайте оборудването на място, което е лесно за поддръжка. Поставете вентилационния агрегат с общо предназначение на тавана или друга определена зона. Инсталирайте точкови изпускателни агрегати в банята и кухнята. Поставете климатични агрегати в жилищните помещения.
Няма разлика. Терминът „канал“ се отнася до мястото на монтаж на охладителя – във вентилационния канал. Терминът „аксиален“ се отнася до дизайна. Работното колело вътре в корпуса се върти по централна ос.
Въртящите се лопатки създават зона с ниско налягане. Въздухът се засмуква в корпуса, където се натрупва до по-високо налягане. Сгъстеният въздух се изхвърля през изходната тръба и се насочва към вентилационния канал.
Ниската степен на защита на електродвигателя срещу влага и прах изключва монтажа му на открито. Трябва да се изгради защитна конструкция срещу климатични фактори, но монтажът на таванско помещение или на закрито е за предпочитане.
Изберете оборудване според напречното сечение на вентилационния канал. Изчислете производителността, като използвате формулата L = S × h × k. Заменете буквите с: S е площта на помещението (m2), h е височината на тавана, а k е табличната стойност на скоростта на обмен на въздух за конкретно помещение. За автоматизиране на работата допълнете схемата за свързване на охладителя със сензори и електронен блок.












